【原创】TI C2833x介绍---ePWM(20)
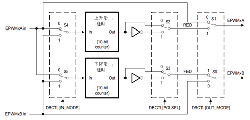
0赞上次提到了一些EPwmxRegs.DBCTL各个位的含义,这次补上最后的两个位。
1-0: 输出模式的配置:
00 = 禁止模式,即死区模块被旁路掉了(和把死区寄存器的值设为0一样的效果)
01 = ePWMxA 管脚上的脉冲无变化(不延时),ePWMxB管脚上的脉冲在其下降沿被延时(死区时间)。
10 = ePWMxA 管脚上的脉冲在其上升沿被延时,ePWMxB 管脚上的脉冲无变化(不延时)。
11 = ePWMxA和ePWMxB管脚上的脉冲在其上升沿和下降沿都被延时(即全功能的死区模式)
虽然死区子模块支持各种死区配置方案,但根据实际的需求,有些可能并不常用,所以在下面的表中总结出了一些典型的死区配置方案,这些方案默认使用DBCTL[IN_MODE]位选择ePWMxA作为上升沿及下降沿的输入源。其它死区模式可通过改变输入信号源(例如ePWMxB)来实现。
典型死区配置方案
|
模式 |
模式描述 |
DBCTL[POLSEL] S3 S2 |
DBCTL[OUT_MODE] S3 S2 |
|
1 |
ePWMxA、ePWMxB的脉冲直接通过(无延时) |
x x |
0 0 |
|
2 |
高电平有效,互补输出(AHC) |
1 0 |
1 1 |
|
3 |
低电平有效,互补输出(ALC) |
0 1 |
1 1 |
|
4 |
高电平有效(AH) |
0 0 |
1 1 |
|
5 |
低电平有效(AL) |
1 1 |
1 1 |
|
6 |
ePWMxA 输出=ePWMxA输入(无延时) ePWMxB输出=带有下降沿延时的ePWMxB输入 |
0或1 0或1 |
0 1 |
|
7 |
ePWMxA 输出=带有上升沿延时的ePWMxA输入 ePWMxB输出=ePWMxB输入(无延时) |
0或1 0或1 |
1 0 |
为了方便理解,还是把死区产生子模块的原理框图附在这里,对照上面的表格就更加容易理解了。
