发表于 3/3/2015 1:08:02 PM
阅读(3424)
|
一款手机充电器用电源变换器电路的分析
分析一个电源,往往从输入开始着手。220V交流输入,一端经过一个4007半波整流,另一端经过一个10欧的电阻后,由10uF电容滤波。这个10欧的电阻用来做保护的,如果后面出现故障等导致过流,那么这个电阻将被烧断,从而避免引起更大的故障。右边的4007、4700pF电容、82KΩ电阻,构成一个高压吸收电路,当开关管13003关断时,负责吸收线圈上的感应电压,从而防止高压加到开关管13003上而导致击穿。13003为开关管(完整的名应该是MJE13003),耐压400V,集电极最大电流1.5A,最大集电极功耗为14W,用来控制原边绕组与电源之间的通、断。当原边绕组不停的通断时,就会在开关变压器中形成变化的磁场,从而在次级绕组中产生感应电压。由于图中没有标明绕组的同名端,所以不能看出是正激式还是反激式。
不过,从这个电路的结构来看,可以推测出来,这个电源应该是反激式的。左端的510KΩ为启动电阻,给开关管提供启动用的基极电流。13003下方的10Ω电阻为电流取样电阻,电流经取样后变成电压(其值为10*I),这电压经二极管4148后,加至三极管C945的基极上。当取样电压大约大于1.4V,即开关管电流大于0.14A时,三极管C945导通,从而将开关管13003的基极电压拉低,从而集电极电流减小,这样就限制了开关的电流,防止电流过大而烧毁(其实这是一个恒流结构,将开关管的最大电流限制在140mA左右)。变压器左下方的绕组(取样绕组)的感应电压经整流二极管4148整流,22uF电容滤波后形成取样电压。为了分析方便,我们取三极管C945发射极一端为地。那么这取样电压就是负的(-4V左右),并且输出电压越高时,采样电压越负。取样电压经过6.2V稳压二极管后,加至开关管13003的基极。
原理图如下:

前面说了,当输出电压越高时,那么取样电压就越负,当负到一定程度后,6.2V稳压二极管被击穿,从而将开关13003的基极电位拉低,这将导致开关管断开或者推迟开关的导通,从而控制了能量输入到变压器中,也就控制了输出电压的升高,实现了稳压输出的功能。而下方的1KΩ电阻跟串联的2700pF电容,则是正反馈支路,从取样绕组中取出感应电压,加到开关管的基极上,以维持振荡。右边的次级绕组就没有太多好说的了,经二极管RF93整流,220uF电容滤波后输出6V的电压。没找到二极管RF93的资料,估计是一个快速恢复管,例如肖特基二极管等,因为开关电源的工作频率较高,所以需要工作频率的二极管。这里可以用常见的1N5816、1N5817等肖特基二极管代替。同样因为频率高的原因,变压器也必须使用高频开关变压器,铁心一般为高频铁氧体磁芯,具有高的电阻率,以减小涡流。
|
|
|
|
手机万能充电器电路原理与维修
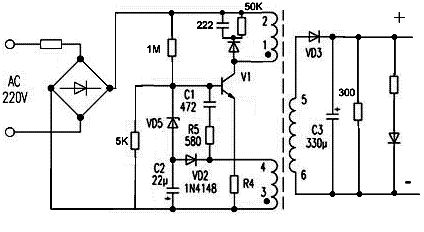
由于各型号手机所附带的充电器插口不同,以造成各手机充电器之间不能通用。当用户手机充电器损坏或丢失后,无法修复或购不到同型号充电器,使手机无法使用。万能充电器厂家看到这样的商机,就开发生产出手机万能充电器,该充电器由于其体积小、携带方便,操作简单,价格便宜,适合机型多,深受用户的欢迎。下面以深圳亚力通实业有限公司生产的四海通S538型万能充电器为例,介绍其工作原理和维修方法。该充电器在市场上占有率较高,又没有随机附带电路图,给维修带来一定的难度,本文根据实物测绘出其工作原理图,见附图,供维修时参考。
四海通S538型万能充电器在外观设计上比较独特,面板上采用透明塑料制作的半椭圆形夹子,透明塑料面板上固定有两个距离可调节的不锈钢簧片作为充电电极。面板的尾部并排有1个测试开关(极性转换开关)和4个状态指示灯,用户根据需要可以调节充电器电极距离和输出电压极性,并通过状态指示灯可方便看出电池的充电情况。
一、工作原理
该充电器电路主要由振荡电路、充电电路、稳压保护电路等组成,其输入电压AC220V、50/60Hz、40mA,输出电压DC4.2V、输出电流在150mA~180mA。在充电之前,先接上待充电池,看充电器面板上的测试指示灯是否亮?若亮,表示极性正确,可以接通电源充电;否则,说明电池的极性和充电器输出电压的极性是相反的,这时需要按一下极性转换开关AN1(测试键)才行。具体电路原理如下。
1.振荡电路
该电路主要由三极管VT2及开关变压器T1等组成。接通电源后,交流220V经二极管VD2半波整流,形成100V左右的直流电压。该电压经开关变压器T的1-1初级绕组加到了三极管VT2的c极,同时该电压经启动电阻R4为VT2的b极提供一个正向偏置电压,使VT2导通。此时,三极管VT2和开关变压器T1组成的间歇振荡电路开始工作,开关变压器T的1-1初级绕组中有电流通过。由于正反馈作用,在变压器T的1-2绕组感应的电压通过反馈电阻R1和电容C1加到VT2的b极,使三极管VT2的b极导通电流加大,迅速进人饱和区。随着电容C1两端电压不断升高,VT1的b极电压逐渐降低,使三极管VT2逐渐退出饱和区,其集电极电流开始减少,变压器T的1-1初级绕组中产生的磁通量也开始减少。在变压器T的1-2绕组感应的负反馈电压,使VT2迅速截止,完成一个振荡周期。在VT2进入截止期间,变压器T的1-3绕组就感应出一个5.5V左右的交流电压,作为后级的充电电压。

2.充电电路
该电路主要由一块软塑封集成块IC1(YLT539)和三极管VT3等组成。从变压器T的1-3绕组感应出的交流电压5.5V经二极管VD3整流、电容C3滤波后,输出一个直流8.5V左右电压(空载时),该电压一部分加到三极管VT3的e极;另一部分送到软塑封集成块IC1(YLT539)的1脚,为其提供工作电源。集成块IC1有了工作电源后开始启动工作,在其8脚输出低电平充电脉冲,使三极管VT3导通,直流8.5V电压开始向电池E充电。
当待充电池E电压低于4.2V时,该电压经取样电阻R11、R12分压后,加到集成块IC1的6脚上,该电压低于集成块IC1内部参考电压越多,集成块IC1的8脚输出的电平越低,三极管VT3的b极电位也越低,其导通量越大,直流电压(8.5V)经极性转换开关S1向电池E快速充电。由于集成块IC1的2、3、4脚和电容C4共同组成振荡谐振电路,其2脚输出的振荡脉冲经电阻R16送至充电指示灯LED1(绿)的正极,其负极接到集成块IC1的8脚。在电池刚接人电路时,集成块IC1的8脚输出的电平越低,充电指示灯LED1闪烁发光强。随着充电时间延长,电池所充的电压慢慢升高,集成块IC1的8脚输出电压慢慢升高,充电指示灯LED1闪烁发光逐渐变弱。
当电池E慢慢充到4.2V左右时,集成块IC1的6脚电位也达到其内部的参考电压1.8V。此时,集成块IC1内部电路动作,使其8脚电压输出高电平,三极管VT3截止,充电指示灯LED1不再闪烁发光而熄灭,充满指示灯LED2(绿)由灭变亮。
3.稳压保护电路
该电路主要由三极管VT1、稳压二极管VDZ1等组成。
过压保护:当输出电压升高时,在变压器T的1-2反馈绕组端感应的电压就会升高,则电容C2所充电压升高。当电容C2两端电压超过稳压二极管VDZ1的稳压值时,稳压二极管VDZ1击穿导通,三极管VT2的基极电压拉低,使其导通时间缩短或迅速截止,经开关变压器T1耦合后,使次级输出电压降低。反之,使输出电压升高,从而确保输出电压稳定。
过流保护:在接通电源瞬间或当某种原因使三极管VT2的电流过大时,在R5、R6上的压降就大,使过流保护管VT1导通,VT2截止,从而有效防止开关管VT1因冲击电流过大而损坏。同时电阻R6上的压降,使电容C2两端电压升高,此后过流保护过程与稳压原理相同,这里不再重复。三极管VT1是过流保护管,R5、R6是VT2的过流取样保护电阻。
二、常见故障检修
例1:接上待充电池及电源后,电源PW指示灯LED3及测试指示灯TEST LED4亮,而充电LED1及充满指示灯LED2不亮,无电压输出,不能给电池充电。
分析检修:这种故障多是充电器开关振荡电路没有工作所致。在实际检修过程中,发现开关管VT2和电阻R6损坏最多。一般情况下,电池E的充电电路工作电压较低,其元件损坏的概率不是很大,也就是开关变压器T1的次级之后电路的损坏概率不是很大。
例2:接上待充电池及电源后,各状态指示灯显示正常,但就是充不进电或充电时间长。
分析检修:这种故障多是三极管VT3(8550)损坏,用正常管子换上后,即可排除故障。如果三极管VT3正常,再用表测电容C3(100μF/16V)两端电压,正常在直流8.5V左右。若电压正常,应检查电阻R7或集成块IC1,集成块IC1各引脚正常参数如附表所示。若电压低,再测开关变压器T1次级输出电压,正常在交流5.5V左右。若电压正常,说明电容C3或整流二极管VD3损坏;若电压低,应检查开关变压器T1及其前级各元件。
|
|
|
|
手机充电器电路图!

|