简述一款3~12V可调分立元件直流稳压电源工作原理
0赞本文详细介绍一款3~12V可调分立元件直流稳压电源的电路原理图及其工作原理。电路原理图如图1所示,印板图如图2所示。
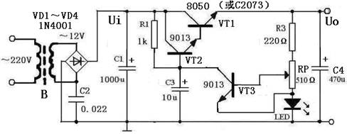
图1 分立元件稳压电源电路图
图2 分立元件稳压电源印板图
下面简单叙述此款稳压电源的基本工作原理:
220V交流电经降压变压器B变换为12V低压交流电,经VD1~VD4桥式整流、C1滤波后得到约16V(12V× )左右的直流电压,这个电压是不稳定的,它会随输入交流电压和负载电流的大小而变化。
晶体三极管VT1、VT2组成复合调整管,VT3为比较放大器,R3、RP既作为LED的限流电阻,同时又与LED共同组成取样及基准电压电路。
约16V的直流电压Ui加在调整管的输入端,R1是复合调整管的基极偏置电阻,为调整管提供导通电压。VT1导通后发射极有电压Uo输出,输出电压Uo由 取样电路取出后送往比较放大管VT3的基极,经与基准电压比较后,从集电极输出误差控制电压,控制调整管的导通深度,使调整管VT1发射极输出的电压Uo 稳定在规定值的范围内。若由于某种原因使Ui升高而导致输出电压Uo升高时,其稳压过程表示为:
该稳压电源巧妙的利用LED的正向导通电压(1.8V~2V)来代替低稳压值的稳压管,另一方面又能起到电源指示作用。
电容C2主要是为了在为收音机供电时消除调制交流声,若在调试时收音机仍出现调制交流声,只要将电源变压器次级对调后接入电路即可。
变压器B选用功率在15W以上,以保证有较大电流的输出。当负载电流≥300mA时,VT1应选用C2073等中功率管且加装适当的散热片。
电解电容器额定工作电压选用25V,其它元件无特殊要求,当要求输出最大电流为500mA时,则将8050换为C2073,若有条件最好加上散热片,其余元件无特殊要求,按照图1中所示元件参数安装即可。(互联网)
