蓝桥杯单片机设计与开发笔记之LED流水灯模块
0赞
发表于 1/26/2017 11:32:24 PM
阅读(3779)
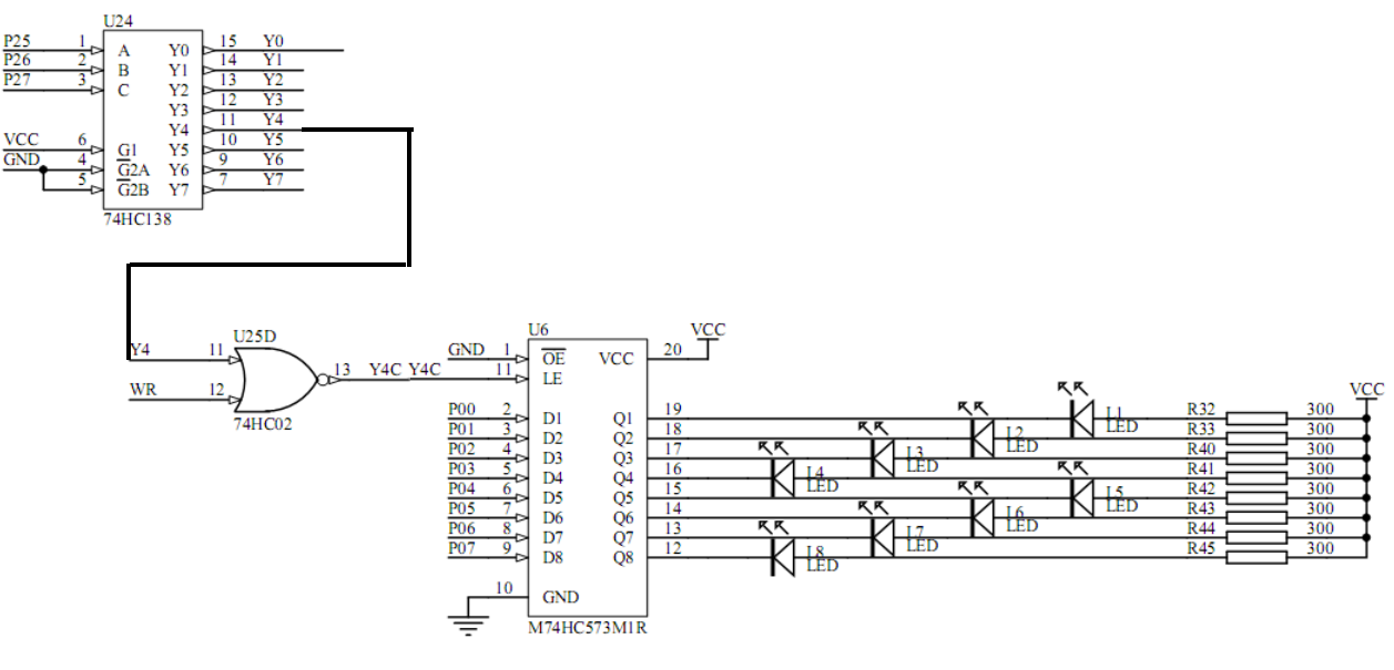
一、流水灯相关模块图

二、电路解析
1,74HC138(俗称38译码器)
74HC138译码器可接受3位二进制加权地址输入(A0, A1和A2),并当使能时,提供8个互斥的低有效输出(Y0至Y7)。蓝桥杯比赛开发板CT107D,主要难点就是控制138译码器。

容易理解的功能表

详细芯片资料网上寻找或加QQ:2679961762 QQ群:242731668新群资料会慢慢上传
2、M74HC573M1R
内部拥有多个D触发器从而拥有记忆功能

要实现流水灯则必须改变74HC573的输出,则必须将Y4C置为高,给P0赋值后再将Y4C置为低进行锁存。我们在原理图中找到Y4C,图中WR与GND用跳帽连接起来,即WR为低电平0。
74HC02为与非门

WR为硬件置低电平所以当Y4为低电平时 Y4C也为高电平
可以改变P0口的数据 当Y4为高电平时 数据锁存。
三、程序分享
整体操作P2口从而实现控制38译码器 实现流水灯
优点便于计算 方便 写法简单

位操作38译码器
优点 理解简单 (以后程序不提倡)


详细历程加QQ:2679961762 QQ群:242731668新群资料会慢慢上传资料试题 往届比赛资料等都会共享
刚刚接触单片机的同学不要着急 ,会在比赛之前把蓝桥杯的所有模块介绍完成
并一起学习,本文章中有错误的地方欢迎指正。
