ARM GIC(三) gicv2架构
0赞ARM的cpu,特别是cortex-A系列的CPU,目前都是多core的cpu,因此对于多core的cpu的中断管理,就不能像单core那样简单去管理,由此arm定义了GICv2架构,来支持多核cpu的中断管理。
一、gicv2架构
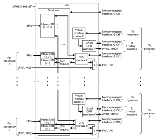
GICv2,支持最大8个core。其框图如下图所示:
在gicv2中,gic由两个大模块组成:
- distributor:实现中断分发,对于PPI,SGI是各个core独有的中断,不参与目的core的仲裁,SPI,是所有core共享的,根据配置决定中断发往的core。最后选择最高优先级中断发送给cpu interface。寄存器使用 GICD_ 作为前缀。一个gic中,只有一个GICD。
- cpu interface:将GICD发送的中断信息,通过IRQ,FIQ管脚,传输给core。寄存器使用 GICC_ 作为前缀。每一个core,有一个cpu interface。
- virtual cpu interface:将GICD发送的虚拟中断信息,通过VIRQ,VFIQ管脚,传输给core。每一个core,有一个virtual cpu interface。而在这virtual cpu interface中,又包含以下两个组件:
- virtual interface control:寄存器使用 GICH_ 作为前缀
- virtual cpu interface:寄存器使用 GICV_ 作为前缀
图中的virtual interface,是用于支持虚拟中断,本系列不讨论虚拟中断。
GICv2支持中断旁路模式,也就是gic外部的FIQ,IRQ直接接到core的FIQ,IRQ上,相当于gic是不使能的。也就是CFGSDISABLE是有效的,将GIC给无效掉。
gicv2,定义了自己的一些寄存器,这些寄存器,都是使用memory-mapped的方式去访问的,也就是在soc中,会留有一片空间,给gic。cpu通过访问这部分空间,来对gic进行操作。
寄存器,分为以下:
- GICD_*: distributor的寄存器
- GICH_*: 虚拟interface的控制寄存器
- GICV_*:虚拟interface的控制寄存器
- GICC_*: 虚拟cpu interface的寄存器
二、中断分组
givc2,将中断,分成了group0和group1。使用寄存器GICD_IGROUPRn来对每个中断,设置组。
- group0:安全中断,由nFIQ驱动
- group1:非安全中断,由nIRQ驱动
三、中断号
gicv2,支持最大1020个中断。其中断号分配如下:
中断号 | 分配 | 中断来源 | 寄存器 |
ID0-ID7 | 非安全软中断 | 软件 | GICD_SGIR |
ID8-ID15 | 安全软中断 | 软件 | GICD_SGIR |
ID16-ID31 | 私有中断 | 外设 | no |
ID32-ID1019 | 共享中断 | 外设 | no |
四、gic结构
gic主要包括以下两个组件:
- distributor
- cpu interface
1、distributor
中断分发器,用来收集所有的中断来源,并且为每个中断源设置中断优先级,中断分组,中断目的core。当有中断产生时,将当前最高优先级中断,发送给对应的cpu interface。
distributor对中断提供以下的功能:
- 全局中断使能
- 每个中断的使能
- 中断的优先级
- 中断的分组
- 中断的目的core
- 中断触发方式
- 对于SGI中断,传输中断到指定的core
- 每个中断的状态管理
- 提供软件,可以修改中断的pending状态
2、cpu interface
cpu interface,将GICD发送的中断信息,通过IRQ,FIQ管脚,发送给连接到该cpu接口的core。
cpu interface提供了一下的功能:
- 将中断请求发送给cpu
- 对中断进行认可(acknowledging an interrupt)
- 中断完成识别(indicating completion of an interrupt)
- 设置中断优先级屏蔽
- 定义中断抢占策略
- 决定当前处于pending状态最高优先级中断
五、中断认可
中断认可,是指cpu响应该中断。此时中断状态从pending状态,变为active状态。通过访问GICC_IAR寄存器,来对中断进行认可。
- GICC_IAR: 认可group0的中断
- GICC_AIAR: 认可group1的中断
六、中断完成
中断完成,是指cpu处理完中断。此时中断状态从active状态,变为inactive状态。gic中,对中断完成,定义了以下两个stage:
- 优先级重置(priority drop):将当前中断屏蔽的最高优先级进行重置,以便能够响应低优先级中断。group0中断,通过写GICC_EOIR寄存器,来实现优先级重置,group1中断,通过写 GICC_AEOIR 寄存器,来实现优先级重置。
- 中断无效(interrupt deactivation):将中断的状态,设置为inactive状态。通过写 GICC_DIR 寄存器,来实现中断无效。
这里为什么要对中断完成,定义2个stage,其实是有考虑的。对于中断来说,我们是希望中断处理程序越短越好,但是有些中断处理程序,就是比较长,在这种情况下,就会使其他中断得到相应,从而影响实时性。
比如当前cpu在响应优先级为4的中断A,但是这个中断A的中断处理程序比较长,此时如果有优先级为5的中断B到来,那么cpu是不会响应这个中断的。
在软件上,会将中断处理程序分为两部分,分为上半部分,和下半部分。在上半部分,完成中断最紧急的任务,然后就可以通知GIC,降低当前的中断处理优先级,以便其他中断能够得到响应。在下半部分,处理该中断的其他事情。
在这种机制下,低优先级的中断,不用等待高优先级的中断,完全执行完中断处理程序后,就可以被cpu所响应,提高实时性。
为了实现上述机制,就将中断完成分成了2步。还是刚刚的例子,cpu在响应优先级为4的中断A,当中断A的上半部分完成后,通知GIC,优先级重置(drop priority),GIC将当前的最高优先级中断重置,重置到响应中断A之前的优先级,比如优先级6,那么此时优先级为5的中断B,就可以被cpu响应。最后中断A的下半部分完成后,通知GIC,将该中断A的状态,设置为inactive状态,此时中断A就真正的完成了。
当然,也可以不将中断完成分成2步,就1步。通过控制 GICC_CTLR寄存器的EOImode比特,来决定是否将中断完成分成2步。
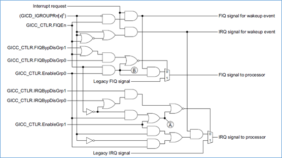
七、bypass功能
gicv2支持bypass功能,这样gic就不起作用了,core的中断管脚,直接由soc的其他部门信号驱动。
如下图所示,通过控制 GICC_CLTR 寄存器的一些比特位,来实现bypass功能。不过这个功能一般不使用,不然何必要在arm的soc中,加入gic呢?
八、中断处理流程
中断处理流程,包含了以下几步:
- GIC决定每个中断的使能状态,不使能的中断,是不能发送中断的
- 如果某个中断的中断源有效,GIC将该中断的状态设置为pending状态,然后判断该中断的目标core
- 对于每一个core,GIC将当前处于pending状态的优先级最高的中断,发送给该core的cpu interface
- cpu interface接收GIC发送的中断请求,判断优先级是否满足要求,如果满足,就将中断通过nFIQ或nIRQ管脚,发送给core。
- core响应该中断,通过读取 GICC_IAR 寄存器,来认可该中断。读取该寄存器,如果是软中断,返回源处理器ID,否则返回中断号。
- 当core认可该中断后,GIC将该中断的状态,修改为active状态
- 当core完成该中断后,通过写 EOIR (end of interrupt register)来实现优先级重置,写 GICC_DIR 寄存器,来无效该中断
九、中断使能和禁止
通过设置GICD_ISENABLERn寄存器,来使中断使能,通过设置GICD_ICENABLERn寄存器,来使中断禁止。
这两个寄存器,都是bit有效的寄存器,也就是一个bit,关联一个中断。
比如对于GICD_ISENABLER寄存器,描述如下:
十、中断pending
通过设置GICD_ISPENDRn或GICD_ICPENDRn寄存器,可以读取和修改中断的pending状态。这两个寄存器,也是bit有效的寄存器,一个bit,关联一个中断。
十一、中断active
通过设置GICD_ISACTIVERn或GICD_ICACTIVERn寄存器,可以读取和修改中断的active状态。这两个寄存器,也是bit有效的寄存器,一个bit,关联一个中断。
十二、产生软中断
通过写 GICD_SGIR 寄存器,来产生软中断。软中断,可以指定产生中断,发往执行的core,也可以发送多个core。
对于软中断,这个是软件产生的中断。比如软件,想给执行自己的core,发送一个中断,就可以通过软中断来产生。或者软件,想起其他的core,发送一个中断,也可以通过软中断来产生。
寄存器如下:
1、TargetListFileter
对于TargetListFileter:决定distributor将软中断,如何发送给cpu interface。
- 0b00:按照CPUTargetList的指定,来发送软中断
- 0b01:按照CPUTargetList的指定,来发送软中断,但是不能发送给自己
- 0b10:软中断,只能发送给自己
2、CPUTargetList
描述如下:
对于多core的系统,会给每个core一个编号。gicv2支持最多8个core,因此core的编号就是0-7,刚好8个bit,可以表示。
这样的CPUTargetList,就和8个cpu相对应。第0bit,表示core0,第7bit,表示core7。
如果想给core1,core2,core7发送软中断,那么此时这个位域要填入0x84。
3、NSATT
描述如下:
这个用来支持安全扩展,在gicv2中,将中断进行了分组
- group0:安全中断
- group1:非安全中断
这个bit,用来表示发送的软中断,是安全中断,还是非安全中断。而且这个bit,只有core处于安全状态的时候,才能写。如果core是处于非安全状态,那么这个bit被忽略,也就是只能发非安全的软中断。
4、SGIINTID
发送的软中断的中断号。
十三、中断优先级
gicv2,支持最小16个,最大256个中断优先级,如下图所示:
如果实现的中断优先级小于256个,那么最低的几个bit,是为0的。
通过设置GICD_IPRIORITYRn寄存器,来设置中断的优先级。这个寄存器是字节有效的,也就是一个字节,对应一个中断的优先级。优先级数值越小,那么这个中断的优先级越高。
高优先级的中断,是可以抢占低优先级的中断。
十四、gic使用例子
下图是gic的使用例子:
外部的中断,连接到gic。由distributor进行中断分组。中断请求,由distributor发送给cpu interface,cpu interface再发送给处理器。
对于支持安全扩展,其应用如下:
安全中断,处于group0,非安全中断处于group1。
十五、gic寄存器
gic寄存器,分为两部分,一部分是distributor的寄存器,另一部分是cpu interface的寄存器。
两部分的寄存器,均是通过memory-mapped的方式来访问。
下图是distributor的寄存器:
下图是cpu interface的寄存器:
十六、总结
以上就是GICv2的介绍,更多的内容,需要查看gicv2的文档。
gicv2比较简单,最多只能支持8个core,超过了8个core,那么就不能使用gicv2了。不过这也不是大问题,对于手机的arm处理器来说,最多也就8个core。但是对于服务器,桌面级的arm处理器,那么就可能会超过8个core,此时gicv2就不适用了,所以ARM后面又加入GICv3,v4架构。
GICv2的寄存器,都是通过memory-mapped的方式访问。但是中断在一个soc系统中,是经常会产生的,那么处理器就会经常的读取gic的寄存器,而使用memory-mapped的方式去访问,就会影响中断响应速度。在之后的GICv3,v3中,就加入了使用系统寄存器来进行访问,加快中断处理。
GICv2只是一个gic的架构,其实现的对应的IP是gic400。
更多内容,查看我的个人网站:
