单片机检测220v交流电通断
0赞
发表于 2018/11/13 上午9:27:49
阅读(3982)
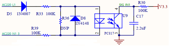
大家在实际项目中可能会有这样的需求:需要检测220V交流电通和断两种状态,用单片机识别出来。
网上有很多人讨论此问题,但是并没有一个经过验证的实际使用的电路,本文将项目中的一个电路分享出来,供大家使用。

大家在实际项目中可能会有这样的需求:需要检测220V交流电通和断两种状态,用单片机识别出来。
网上有很多人讨论此问题,但是并没有一个经过验证的实际使用的电路,本文将项目中的一个电路分享出来,供大家使用。

Copyright © 2005-2024 华北计算机系统工程研究所版权所有 京ICP备10017138号-2