CX8831C:18W单C口Type-C、PD快充协议芯片介绍
0赞CX8831C外围精简,极简ESOP8封装18W单C口,PD快充协议芯片,仅需少量几个电容,电阻,电感即可。小空间,小体积,高效率,低成本快充协议方案,加上CX8830可做两路独立PD/QC3.0同时使用。
18W单C口Type-C、PD快充协议芯片概述:
CX8831C是一款集成 USB、Type-C、PD、QC3.0 等多种快速充电协议的同步降压转换器,为车载充电器、各种快充
适配器、智能排插等供电设备提供完整的解决方案。
CX8831C 支持多种快速充电协议,包括 USB Type-C 和 PD 协议,高通 QC2.0/3.0,华为 FCP/SCP,三星 AFC,USB BC1.2 DCP 以及 Apple 2.4A 充电规范。
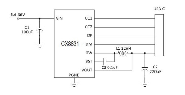
CX8831C 支持宽输入电压范围,6.6V 至 36V。输出电压范围是 3.6V 至 12V,并依据充电协议自行调整,提供最大
18W 的输出功率。 CX8831C 的 PDO 配置为 5V/3A、9V/2A、12V/1.5A。
CX8831C 采用 PWM 电流模控制方式,能快速响应负载瞬态变化。CX8831C 的开关频率为 150KHz,特有的抖频技术能
够减小 EMI,帮助客户通过认证。
CX8831C的输出具有恒压恒流特性。当输出电流小于限定值时,处于恒压模式;当输出电流达到限定值时,处于恒
流模式。输出电压具有线补功能,随着输出电流的增大会相应提高输出电压,用以补偿充电线缆内阻引起的电压下降。
CX8831C具备非常高的可靠性,输入耐压高至 40V,所有引脚 ESD 超过 8KV。同时具有多种保护功能:输入过压、
欠压保护,输出过流、过压、欠压、短路打嗝保护等。
CX8831C 采用 ESOP8 封装 。
特点:
● 输入耐压 40V
● 输入电压范围:6.6V到36V
● 输出电压范围:3.6V到12V
● 输出电流:5V/3A,9V/2A,12V/1.5A
● 内置76mΩ High-side NMOS
● 内置62mΩ Low-side NMOS
● 150k Hz固定开关频率
● 支持 USB Type-C
● 支持 USB Power Delivery(PD)3.0 协议
● 支持 Quick Charge 3.0/2.0 协议
● 支持华为 FCP/SCP 协议
● 支持三星AFC协议
● 支持 USB BC1.2 DCP
● 支持Apple 2.4A充电规范
● 输出电压线补:100mV/A
● 输出具有 CV/CC 特性
● 内置补偿电路
● 软启动功能
● 特有抖频技术减小EMI
● 输入过压、欠压保护、输出过压、过流保护、短路保护、过温保护、全引脚ESD 8KV
● ESOP-8L封装形式
提供 CX8831C样品及CX8831C DEMO板测试申请Q:1196393673可获取方案开发资料。
应用范围:
● 汽车充电器
● 快充适配器
● 智能排插
● 通用高压 USB 充电器
