PWM 任意频率 任意占空比 - LM3401
0赞一、硬件架构
光源控制芯片LM3401,是美国国家半导体公司 National Semiconductor的产品,其典型特点:
1、 2.8A Typical Switch Current
2、High Switching Frequency
— 525 KHz (LM3410-Y)
— 1.6 MHz (LM3410-X)
3、Current-Mode, PWM Operation
4、Input voltage range of 2.7V to 5.5V
Output voltage range of 3V to 24V
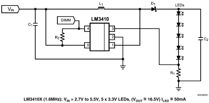
1.1 典型应用电路
一个芯片可以驱动5个高亮LED,并且典型电流为50mA
1.2 控制输出为FPGA 任意一款FPGA均能搞定此功能
二、代码设计
代码功能:输出任意PWM频率,及占空比
代码如下:
verilog:
module led_PWM
(
input clk_ref,
input sys_rst_n,
output led_pwm
);
//-------------------------------------------------------------------------
//contrl led -PWM div
parameter PWM_FREQ = 20'd10000; // pwm frequency: 20'd10000 10KHz (Even the div frequency)525k 1.6m
reg [19:0] cnt_pwm;
always@(posedge clk_ref or negedge sys_rst_n)
begin
if(!sys_rst_n)
cnt_pwm <= 20'd0;
else if(cnt_pwm < PWM_FREQ - 1'b1) // pwm frequency:
cnt_pwm <= cnt_pwm + 1'b1;
else
cnt_pwm <= 20'd0;
end
//reg [19:0]Duty_ratio = 20'd3000; //pwm Duty ratio: Duty_ratio/PWM_FRE
//wire [19:0] Duty_ratio;
parameter Duty_ratio = 20'd9800;
//触发器输出
//reg clk_pwm_r1;
//always@(posedge clk_ref or negedge sys_rst_n)
//begin
// if(!sys_rst_n)
// clk_pwm_r1 <= 1'b0;
// else
// clk_pwm_r1 =((cnt_pwm >= 0) && (cnt_pwm < Duty_ratio))? 1'b1 : 1'b0;
//end
//组合逻辑输出
wire clk_pwm_r1 =((cnt_pwm >= 0) && (cnt_pwm < Duty_ratio))? 1'b1 : 1'b0;
assign led_pwm = clk_pwm_r1; //clk_pwm
endmodule
控制 PWM_FREQ 调节PWM 频率,控制Duty_ratio 调节PWM 占空比。LM3401 PWM频率范围:1 Hz to 25 kHz。
testbench:
`timescale 1 ns/ 1 ns
module led_PWM_vlg_tst();
reg clk_ref;
reg sys_rst_n;
// wires
wire led_pwm;
// assign statements (if any)
led_PWM i1 (
// port map - connection between master ports and signals/registers
.clk_ref(clk_ref),
.led_pwm(led_pwm),
.sys_rst_n(sys_rst_n)
);
initial
begin
clk_ref=0;
forever #5 clk_ref = ~clk_ref;
end
initial
begin
sys_rst_n=0;
#100;
sys_rst_n=1;
#1000;
$top;
end
endmodule
波形图:
既然选择了,便不顾风雨兼程。。。
