CX3358 理发器护理类锂电管理芯片资料
0赞
发表于 3/24/2020 9:43:53 AM
阅读(5265)
消费类电子产品方案越做越简单,CX3358是专门针对理发器,剃须刀等护理类产品开发的一款电池管理芯片,外围简单,带欠压报警功能,从而对电池有保护作用。只要是带马达驱动电池类产品均可用到。
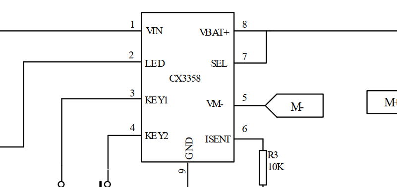
CX3358是一款集成单节锂电池2串镍氢电池充电管理功能、按键检测功能的马达驱动专用芯片。
CX3358可通过调节外部电阻来调节充电电流大小,两种不同电池充电及放电选择。
CX3358内置两种按键控制模式以及电池低电池低电提示。
CX3358内置输入过压保护保护,过充保护,过温保护,电池欠压保护,马达堵转及短路保护。
CX3358是一款应用极简,性能卓越,稳定可靠的马达驱动专用芯片。
特点
工作电压:DC 4.5v-6.0
输入过压保护
小于2UA静态功耗
高达800ma的可编程充电电流
恒压,恒流充电,羡慕在无过热环境下进行最大设定电流充电
正负1%精度的预设电电压
用于电池电量检测的充电电流监控输出
充电及工作状态指示
涓流充电
2路按键控制选择
超简洁应用线路
封装图: ESOP8
曲 15914091451/ Q 709108828

