离散型生产过程ZigBee监控系统设计
0赞0 引言
当前制造企业生产过程执行管理系统(Manufacturing Exe.cution svstem,简称MES)已开始大量的应用,但对于底层基础数据的采集,因受到生产现场条件限制,一直还是一个比较难解决的问题。为此,本文主要针对信息监控网络和节点进行分析和设计,完善底层ZigBee数据采集。
在实际的生产中,大部分生产企业为离散型制造方式,生产的产品种类多、工序多,甚至在同一厂区内作业场地分散,大量生产过程信息难以记录。对数据的实时收集,以及生产质量的监控,生产进度的管控造成较大困难。对于离散型生产过程的数据的采集问题,已有一些相关的研究。其主要使用的技术为RFID技术,即在每个产品上贴有源或无源标签,通过标签阅读器读取标签信息,从而获得生产状态信息。与条码信息相比,缺点就是标签成本过高。同时对于信息量较大的采集和传输,显然也不太适合,如视频或图片信息采集传输等。
针对离散型生产过程中的信息分散的特点。对于信息监控,适合选择无线网络方式对数据进行采集。在目前无线技术中,应用较多的无线方式为:无线WIFI网、RFID网、无线ZigBee网络、蓝牙、红外等。其中无线WIFI和ZigBee网络应用较多。
无线WIFI组网技术是目前在短距离通信,大流量数据的传际应用中具有较明显的通信传输速度优势,但功耗较大,使用时间短,在作为移动终端网络中应用受到一定的限制,灵活性有所降低。而利用ZigBee无线模块组成无线传感器网络,可实现大规模组网,且节点具备自动组网功能。ZigBee是基IEEE802.15.4发展而来的,其特点为:(1)低功耗;(2)节点扩充能力强。ZigBee协议在2.4GHz频段中。适用于通信数据量小、数据传输速率较低以及分布范围较小,成本低的场合。
综合上述分析,本文通过分析生产过程中需要监控的信息,设计两种网络进行生产过程信息采集,对于高速大流量信息的采集使用WIFI网络,对于低速分散信息的采集使用ZigBee无线模块网络。并基于ZigBee数传模块,设计监控节点硬件。
最后在电缆连接器产品生产中进行了组网测试。
1 监控系统网络
1.1监控系统网络和功能描述在MES系统中,需要对各项生产要素信息进行采集,这样才能做到MES系统中的信息准确和实时性。如前所分析,在离散生产过程信息监控系统中设计两种无线网络:无线WIFI网络(见图1)和无线ZigBee数传网络(见图2)。如图1所示,无线WIFI网可进行高速批量的生产过程信息数据的采集。组网由无线终端,无线AP和无线路由及以太网构成。
图1 无线WIFI网络图
而在ZigBee模块组网中,对设备对象定义了三种,分别为协调器(Coordinator),路由器(Router)以及终端设备(End Device)。组网方式分为三种拓扑结构,分别为星型结构(Star),簇树结构(Cluster Tree),网状结构(MESH)阁。在实际的生产环节中,生产过程信息监控节点,均具备执行路由和终端设备功能。其网络组成可以采用网状结构方式,采用这种结构能扩大网络范围,在实际应用中相比星型结构和簇树结构,网状结构更灵活。网状结构通过自组织和路由的功能,提供多条通讯路径。有效减少信息传输时延,提高数据通讯网的可靠性。考虑整个网络传输速度,最高为250Kbps,为了提高数据的传输效率,在协调节点与计算机通讯之间采用CAN总线通讯方式。
CAN总线在短距离(小于40m)传输通信速率可为lMbps,相比RS232通讯效率较高。因此在本设计中组网结构如图2所示。
图2 信息传输zlgBee网络图
1.2监控网络节点功能分析
生产过程中的监控信息主要为生产要素(人、机、料、法、环)的实时信息。对人的信息分析为:人员的工作状态、工位、工作时间等信息。设备信息主要有设备实时运行的状态,设备的工况等,同时需要对物料(料)、工艺规则(法)、工作环境(环)等信息进行ZigBee数据采集,如表1。
表1 监控节点功能分析
2 ZigBee监控节点硬件设计
对表l的节点功能分析可知,要实现对生产过程中各要素的ZigBee数据采集。监控节点硬件功能的应具备下列功能如图3所示。
图3 节点功能设计图
针对上述硬件功能分析,硬件主要设计为电源、ZigBee数传模块、刷卡射频读写,ZigBee数据采集,传感电路设计。
在较复杂的硬件功能上采用独立CPU管理方式,这样提高了工作效率。ZigBee数传模块电路设计,采用TI公司的cc2530作为核心器件。该器件可以实现集射频收发于一体的无线传感器网络。外围器件较为简单,主要包括晶振和射频匹配网络等电阻电容电感器件。天线采用外置高增益SMA杆状天线,增益达到6dBi,接收灵敏度相对较高。通过对CC2530编写ZigBee组网程序,使得监控节点上电后可进行自动组网,部分节点失效后,网络也具备自我修复能力,每个节点均能收发数据,组网后可以在任意节点之间进行数据通信。
对于员工IC卡刷卡电路设计。采用非接触式的射频卡。IC卡电路由IC芯片、感应天线组成,封装在一个标准的PVC卡片内,芯片及天线无外露部分。IC卡片在短距离内(一般为5-10mm)靠近读写电路表面,通过无线电波的传递来完成数据的读写。读卡电路天线由电路板上线路构成,组成单一模块电路。对于读卡器的设计,以NXP公司的MF RC522为核心芯片设计电路,作为单一模块设计读卡电路,获得数据后利用串口与管理CPU通信。
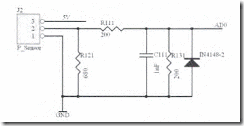
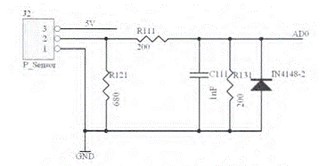
ZigBee数据采集电路设计。设计了一种0~5v和4~20mA共用电路。其原理主要根据电压等于电流与电阻之乘积(V=I×R)。
在ZigBee数据采集电路端并上二极管和电容进行降噪声处理,提高了电路的可靠性。电路如图4所示。
图4 电压、电流传感器共用电路
在外围传感器选择中选择人体热释红外传感器LHi878,温湿度传感器DHT22,构成了整个监控节点。考虑监控节点安装位置不影响其他设备工作,体积尽可能小。故在电路布局上进行多层形式,整体结构分为上下两层,结构紧凑,体积小巧(6cm×6cm),便于安装,功能齐全,使用比较方便,也易于维护,并且成本低廉。硬件电路如图5所示。
图5 6×6(cm)双层紧凑布局实物图
3 ZigBee监控节点软设计
3.1软件功能描述依据ZigBee无线模块网络结构,其数据信息流程如图6。
图6 系统数据信息流程图
各ZigBee数据采集节点,对工序中的生产信息进行实时监测,同时将数据通过ZigBee无线模块传输到协调节点,利用CAN总线传输到终端计算机,再进入MES系统的服务器数据库里。
监控节点的软件流程如图7所示。系统上电后首先读取存储在EEPROM中各项工作参数,初始化系统,在128液晶上显示相关参数信息。同时传感器开始采集工作环境中的工作参数,如温湿度,设备气压等,经过预处理电路后送给CPU处理。员工刷卡后将卡号ID通过ZigBee发送到服务器,在数据库中查找到该员工信息并将员工工号送回。节点收到工号在液晶上显示。
图7 监控节点软件流程图
员工刷卡后将卡号ID通过ZigBee发送到服务器,在数据库中查找到该员工信息,从而将员工工号送回,节点收到工号后在液晶上显示。同时节点监测设备的作业次数以记录员工的工作量,并将这些数据上报到服务器中的数据库中。节点能接受上位机的指令并加以处理,此外再通过键盘更改部分参数,更改设备状态,产品质量等信息。热释红外人体检测传感器监视本工位上是否有人员工作,若无人员则节点进入休眠状态
4 网络性能测试与分析
根据上述设计,在实际的电缆连接器产品生产中采用ZigBee数传模块节点进行数据采集。试验15个节点组网测试系统性能。在点对点数据传输中,数据传输可以到110m。终端节点向协调节点传输数据,两数据包间的时间间隔最小值为18ms,丢包率在5%以下,并且随着传输距离的增大,传输速率降低,丢包率增大。协调节点向终端节点传输数据,两数据包之间的时间间隔最小值在500ms,丢包率在5%以下,并且随着传输距离的增大丢包率增大。
从测试的性能看,整个网络数据的传递满足现场实际的需求,达到设计目的。使用无线通讯方式的缺点为容易受到现场工作环境的强电电磁场的影响。在实时性要求更高的场合可采用有线方式进行监控。
5 结论
对于离散型生产过程信息监控,本文提出了利用两种无线网络采集数据,即基于WIFI和ZigBee模块的无线网络相结合的组网方式。设计了ZigBee数据采集监控网络节点,并在电缆连接器产品生产中对网络及节点进行测试。ZigBee数传模块的网络数据传输速度和距离均达到电缆连机器生产信息采集要求。测试结果表明,该测试节点能满足一般性生产工序的信息采集,符合生产的使用性能。








