引入估计推理的ZigBee隧道灯光控制系统
0赞0 引言
公路中的隧道照明不同与一般的道路,需要进行24小时不间断的照明,研究表明,一条中等长度的隧道每天的耗能达到800 kW/h,电费开支与能源消耗成为高速公路建设与运营必须面对的问题。公路的隧道作为高速公路中的特殊路段,内外的光亮度差值较大,环境不一致,高度与侧向净宽有限,使得如何在保证车辆的行驶光照强度下进行隧道照明节能,成为目前的研究热点与难点。近些年,我国的各大院校与研究所开展了ZigBee无线模块针对隧道智能照明的大量研究,出现了很多优秀的研究成果,已经有很大一部分开始应用在实际的隧道控制中。
1 智能控制系统总体设计
隧道智能照明系统的控制设计是系统设计的核心部分,智能化程度较高的控制系统不但可以保证隧道中有效的照明节能还可以降低事故的在隧道中的发生率。
本文采用了ST 公司的STM32F103VBT6,这种芯片具有灵活的时钟配置模式与低功耗模式,方便在隧道照明控制中使用。核心处理器中加载了经过模糊推理的规则模型对隧道照明进行智能化控制。系统框架图如下图1所示。
图1 系统架构图
节点的智能照明控制器受到中心控制器发来的命令后,为了能够更为稳定的传输,本文使用了CAN总线进行通信协议的解析,LED电源本文采用的是INVENTR 公司的恒流驱动电源来实现,这种电源的输入电源是90~350 V,可以通过DC进行连接LED灯的亮度进行调节。
2 系统硬件设计
根据系统的总体设计要求,本文的硬件设计主要工作在ZigBee无线模块的硬件设计与核心智能照明控制器的设计两个部分,包括核心芯片的外围支撑电路与电源模块。ZigBee无线模块传感网络的传输模块设计主要包括协调节点的设计与芯片外围电路的支撑设计两个部分。
图2 无线网络协调器结构图
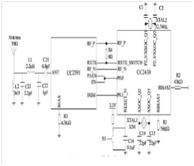
T1 公司推出的CC2430是一种高性能的2.4GHz的射频收发器,内部镶嵌了一颗小巧的8051控制器,内部有灵活闪存空间,采用CMOS工艺,适合工作在隧道照明的控制中。本文使用这种芯片与CC2591 芯片组合使用构造无线收发模块,这样就不需要增加额外的电路进行RF匹配。
图3 ZigBee 无线收发模块电路
上图3中,R1 与R2作为晶振提供电阻提供了32 MHz的晶振电路。主时钟是通过外部的晶振XTAL1 与两个负载电容C14\C15 提供的,CC2591的HGM为引脚、EN引脚、连接到CC2430的闲置I/O口,CC2591可以根据电平值进行工作状态的调控,降低功耗。网络协调器为功耗最多的模块要通过220 V 的交流电进行电源转换供电,下图是电源的模块电源转换电路供给无线网络芯片工作:
图4 模块电源控制部分
图4是使用5 V的电源后再通过一个低压的差线性稳压器转换为3.3 V的模块电压供电。
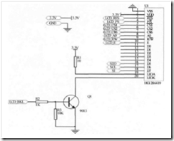
图5 中心控制器的液晶显示电路
如上图5所示,采用模拟串行通信与ARM芯片相连,连接的引脚分别为:SDD、SCL、SI分别连接到了STM32的引脚上,采用点阵数为128*64的液晶显示模组,内置EPL;65132方便与微处理器相连接。
3 系统软件设计
高速公路中的隧道照明控制各个模块的运行如下图所示,系统通电后,初始化ZigBee无线模块传感网络的ZigBee无线数据采集与照明网络,节点入网后开始实时的进行洞内与洞外数据的ZigBee无线数据采集,ZigBee无线数据采集的数据通过ZigBee网络传输后传到控制中心,传输中心的模糊控制模块进行控制规则的构造,通过规则调控LED灯的功率。
图6 系统控制流程
隧道智能照明控制器的智能化控制涉及到的因素较多,各个因素之间存在着巨大的非线性,无法形成特定的数学模型对其进行智能控制。模糊控制是一种模糊数学与语言推理的一种控制方法,可以结合计算机控制技术形成一种具有反馈通道的闭环系统。模糊化的过程主要是输入变量的值,通过数字的形式将输入量转化为语言变量值,每一个语言变量都是一个模糊子集,包括知识库建立、推理决策、去模糊处理几个部分。本文涉及到的实时采集数据包括洞外的亮度、车速、车流量等几个参数。隧道的照明区段分为:入口段、过渡段、中间段、出口段几个部分,各段的亮度值与车辆流量、车速相关。实际的车速与测量模型中的数据存在一定的偏差,本文使用车速变化的照明补偿技术对其实行亮度补充,假设实际的车速为vx ,车速为80~100 km/h 时可以使用如下的公式进行照明函数补偿:
lx =4.5+ vx -80/20 ×4.5
上面的式子中lx 代表实际的照明值。同样车流量的变化也将对照明控制产生一定影响。如果车速设置在100 km/h ,车流量设置在700~2400 辆之间的时候可以使用如下公式对其进行照明补偿:
k = n-700/1700 ×0.01+0.035
上面的式子中,n 为实际的交通流量,0.01分别是N ≥2400/h,N ≤700/h 对应的折减系数差,即0.045-0.035。
模糊推理机作为系统中的核心部分,能够实现照明控制的规则推理,是吸纳推理后将规则通过核心控制器对周围的LED 照明灯进行控制。
下面是规则库中的部分推断出的规则:(1)白天模式、单向隧道、车速为40 km/h ,车流量小于700:结果:N0 =0,N1 =700,k0 =0,k1 =0.01,l1 =1.5,l0 =0
(2)白天模式、单向隧道、车速为40 km/h ,车流量700-2400:结果:N0 =700,N1 =2400,k0 =0.01,k1 =0.012,l1 =1.5,l0 =0
(3)白天模式、单向隧道、车速为40 km/h ,车流量大于2400:结果:N0 =2400,N1 =4800,k0 =0.01,k1 =0.012,l1 =1.5,l0 =0
(4)白天模式、单向隧道、车速为60 km/h ,车流量小于700:结果:N0 =0,N1 =700,k0 =0,k1 =0.015,l1 =1.5,l0 =1.5
(5)夜晚模式、单向隧道、车速为40 km/h ,车流量大于2400:结果:l1 =1.5,l0 =1.5
(6)夜晚模式、单向隧道、车速为60 km/h ,车流量大于2400:结果:l1 =2,l0 =2.5
(7)夜晚模式、单向隧道、车速为60km/h ,车流量700-2400:结果:l1 =2,l0 =1.5经过判断在每一隧道处将会形成不同数量的知识库,知识库中的规则指导隧道中照明的智能控制。
4 实验分析
为了验证本文中方法可行性,本文基于MATLAB实验仿真平台进行了实验仿真,实验系统基于Windows xp操作系统,在MATLAB中装在无线网络协议与模糊推理程序,分被在不同的时间段与不同的隧道外部环境对系统进行测试,主要从ZigBee模块网络的数据收发性能与控制的节能率对系统的性能进行测试分析。下图是在10个不同的时间段与10个不同隧道环境中无线传感网络的数据延时图。
图7 无线传输网络延时图
图7可见,在不同的隧道与不同的时间段的网络测试中,数据发送的延时都保持在0.15 s左右,证明本网络的性能优越稳定,延时率较低。
经过模糊推理规则控制的隧道智能照明控制器系统,最大的优点就是比传统的24 h灯光照明能耗更低,下图是在10个不同的隧道中使用两种方法测试的某日的能耗对比图。
图8 能耗对比图
图8可见,经过本文的方法与24 h不间断照明的控制方法对比后,不同隧道的平均能耗都降低18%,有很强的实用性。








