蓝桥杯单片机设计与开发之数码管
0赞
发表于 2/3/2017 10:31:11 AM
阅读(2740)
蓝桥杯单片机设计与开发之数码管
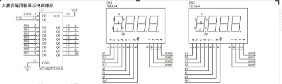
一、数码管相关模块图

二、电路解析
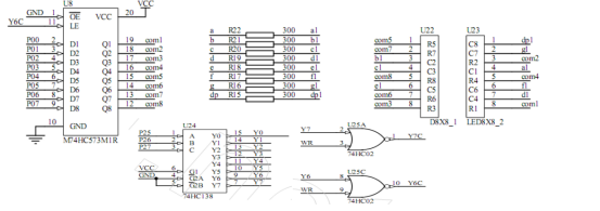
1,74HC138(俗称38译码器)
74HC138译码器可接受3位二进制加权地址输入(A0, A1和A2),并当使能时,提供8个互斥的低有效输出(Y0至Y7)。蓝桥杯比赛开发板CT107D,主要难点就是控制138译码器。

当ABC输入为110时Y6为低电平,打开Y6C控制数码管位选。送数码管位选数据
当ABC输入为111时Y7为低电平,打开Y7C控制数码管段选。送数码管段选数据
详细历程资料加QQ:2679961762 QQ群:242731668新群资料会慢慢上传资料试题 往届比赛资料等都会陆续共享
2、M74HC573M1R
内部拥有多个D触发器从而拥有记忆功能

要实现控制继电器蜂鸣器则必须改变74HC573的输出,则必须将Y6C置为高,给P0赋值后再将Y6C置为低进行锁存。我们在原理图中找到Y6C,图中WR与GND用跳帽连接起来,即WR为低电平0。
74HC02为与非门

WR为硬件置低电平所以当Y6为低电平时 Y6C也为高电平
可以改变输出口的数据 当Y6为高电平时 数据锁存。
Y7相同
三、程序分享
四、0-9段码
详细历程资料加QQ:2679961762 或QQ群:242731668新群资料会慢慢上传资料试题 往届比赛资料等都会陆续共享
