NDP1460QB替代CX8576, 6A大电流小体积车充方案,QFN5*5封装
0赞高性价比、高效率,双通道6A大电流车充方案推荐,内置mos过CE认证小体积大电流DC-DC车充降压IC,提供NDP1460QB规格书,NDP1460QB方案开发资料,NDP1460QB样品申请与技术支持!
型号:NDP1460QB
耐压:6.5~40V
输出:Adj可调
输出电压精度:1.5%
输出电流:6A
频率:135K~300KHz可调
效率:95% 封装:QFN5*5
NDP1460是一款高性能、高可靠性带CV/CC模式降压型DC-DC转换器。最高输入电压可达40V, 工
作输入电压从7V到38V,内部低阻抗MOSFET可提供最大6A的连续输出电流,内部基准电压1V,
可通过外部电阻调整电压大小,输出恒流精度可在±5%以内,恒压精度±1.5%以内。芯片可
有效防止EMI干扰,外部不需要磁性元件可通过EMC认证,工作频率可灵活设置,适用于多
种类型电感的选择。QFN5*5封装更加有利于散热处理。
特点:
宽VIN范围:7V至38V6A
连续输出电流24V输入时效率高达95%
双通道CC / CV模式控制砖墙电流极限
内置可调线路补偿
可调输出电压?8?5+/- 1.5%输出电压精度?8?5+-5%电流限制精度。
集成14mΩ高端开关?8?5集成14mΩ低侧开关可编程频率(130KHz?9?1300KHz)轻载时的突发模式操作
内部环路补偿内部软启动
耐热增强型QFN5 * 5封装
应用领域:车载充电器、可充
电便携式设备、网络系统分布式电源系统

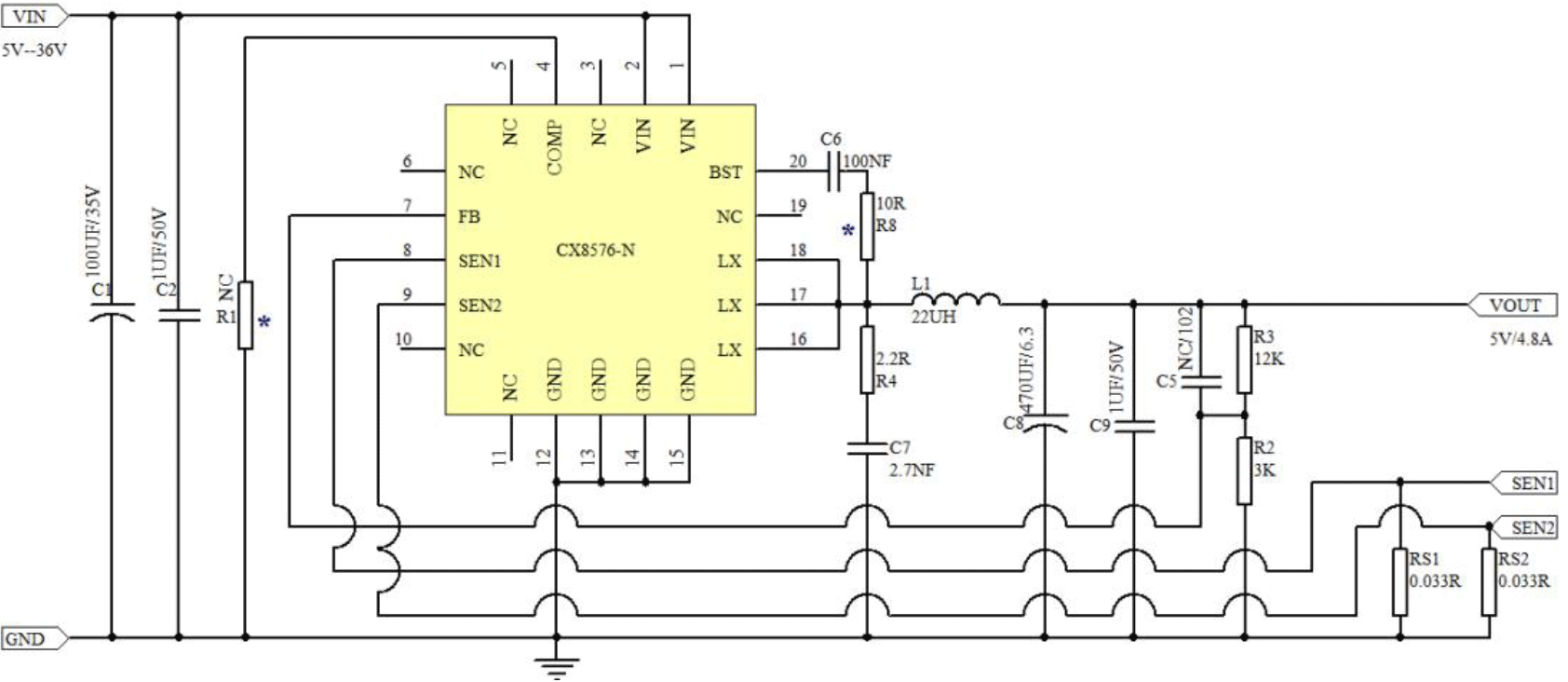
4.8A大电流内置MOS频率可调CX8576概述:
CX8576 是一款输入耐压 30V,并且能够实现精确恒压以及双路恒流的降压型 DC-DC 转换器
CX8576 内置 10mΩ High-side N MOS 以及 10mΩ Low-side NMOS,可支持 4.8A 持续输出电流输出电压可调,最大可支持 95%占空比
CX8576 通过 COMP/EN 引脚逻辑电平拉低来实现外部关断功能,并进入待机模式。外部补偿使反馈控制环路具有良好的线压调整率和负载调整率,且外围设计灵活。
CX8576 是一款应用极简,性能卓越,稳定可靠的恒压恒流降压型 DC-DC 转换器
特点
● 输入电压可达4.75V--30V
● 内置10mΩ High-side NMOS
● 内置10mΩ Low-side NMOS
● 可支持4.8A持续输出电流
● 可支持95%占空比
● 输出电压电流可设(2.5V-20V)
● 恒流精度 ±6%
● 恒压精度 ±2%(VFB=1.0V)
● 线缆补偿压降
● 开关频率可调(110KHz-220KHz)
● COMP 引脚同时实现外部补偿和关断控制
● 短路保护(SCP),过热保护(OTP),过压保护(OVP)。
● 内置SW逐周期检测模式,可避免RSENT限流电阻短路损坏产品。
● QFN20L-5×5封装形式



