SM5401,SOP-8,集充电升压,电量指示多合一芯片,10uA以下的超小待机功耗,极适用于TWS充电仓,移动电源SOC,引脚兼容华芯邦的HT4928
0赞
发表于 7/1/2020 6:13:22 PM
阅读(3124)
简介
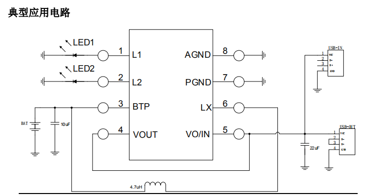
SM5401 是一款集成锂电池充电管理,LED 指 示功能,升压转换器的移动电源管理芯片,外围 只需极少的元件,就可以组成功能强大的移动电 源方案。
SM5401 内部集成了 0.8A 的线性充电模式, 支持对 0V 电池充电;具有涓流/恒流/恒压三种模 式充电,恒定电压 4.20V(典型值);内置 IC 温 度和输入电压智能调节充电电流;SM5401 内部采 用了 PMOSFET 架构,加上防倒充电路,因此可以 不需要外部检查电阻和隔离二极管。
SM5401 的同步升压转换器提供 0.8A 输出 电流,转换效率高至 91%。空载时,自动进入休 眠状态,静态电流降至 9uA。
特性
⚫ 高度集成,极少的外围元器件
⚫ 800mA 的固定线性充电电流
⚫ 0.8A 同步升压转换效率高达 91%
⚫ 无需 MOSFET、检测电阻器或隔离二极管
⚫ 负载插入自动启动升压,负载移除自动休眠
⚫ 可共用输入/输出端口,智能识别充/放电自 动再充电
⚫ 单/双灯充电与放电指示
⚫ 过温保护
⚫ 电池过充、过放保护
⚫ SOP8 封装 应用范围
应用范围
⚫ 移动电源
⚫ LED 照明系统
⚫ 玩具
欢迎咨询,微信:W18617166500,QQ2355767105.
![~KIYU$2ABCKA2K]_CZN47ME.png](http://files.chinaaet.com/images/blog/2020/07/1000102472-6372922394421649676590869.png)

