AET网站
资源下载
技术应用
资讯
电路图
技术专栏
小组
大学堂
登录
|
注册
Mysterious_Mr_Fu
突然想学习了,随手写下自己奋斗历程,与君共勉! 2016.8.10
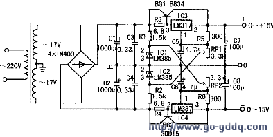
可调恒压源
1
赞
发表于 8/10/2016 3:05:31 PM
阅读(680)
« 上一篇: 转:恒流源设计
作者
Mysterious_Mr_Fu
关注
文章:2 篇
阅读:1707 次
标签
恒压源
相关文章
高智能、容错UPS的发展趋势
LED驱动电路工程中的简易计算方法
隔离开关电源同步整流器数字控制与驱动技术
利用供电线通讯实施的LED照明控制
多路输出单端反激式开关电源设计原理
主从分布式太阳能无线信号系统的设计与实现
相关资料
开关电源设计参考手册
在反向模式下利用电流输出DAC构建单电源、低噪声LED电流源驱动器
SupreMOS的门电阻设计
浅谈如何正确的选用漏电开关
漏电断路器的安装方法及注意事项
LED开路过压保护电路的工作原理
相关视频
ADP2118: 3A同步降压 DC-DC稳压器
【视频】电源基准源产品
【视频】电源设计小贴士36:使用高压LED提高灯泡效率
【德州仪器视频】传统燃油测量方法
【德州仪器视频】无线电源传输器系统设计-2
宽输入电压、多通道电源简易上手
关注微信公众号
Copyright © 2005-2020 《电子技术应用》版权所有
京ICP备10017138号