电容式互感器测试仪
0赞HGQC-H电容式互感器测试仪
一、概述
对电容式电压互感器(以下简称CVT)进行误差校验时大多采用串联或者并联谐振升压的方法,测试接线复杂,所需的设备种类繁多,而且设备都很笨重,现场搬运非常困难。华天电力生产的HGQC-H电容式电压互感器测试仪(以下简称测试仪)能在低电压情况下测量出高电压工作情况下的实际误差,单台设备即可满足现场电容式电压互感器误差的测量。可以覆盖35kV/100V、35kV/100V/ 、110kV/100V、110kV/ /100V/ 、220kV/100V以及220kV/ /100V/ 、500kV/100V以及500kV/ /100V/ 变比的电力电容式电压互感器的测量。仪器在设计时引入了一些新的思想,采有了一些新的技术。包括异频电源技术、通用平台技术、电压仿真负荷、内部高准确度电压互感器和自升压电源等,使用户在使用该仪器时感到更加方便、快捷、高效。
二、功能特点
1.无需升压源、标准互感器、负荷箱,即可实现现场测试CVT的比差、角差,测试结果完全满足国家互感器检定规程。
2.具有极性、变比、接线检查功能。
3.可以对温度和湿度进行测量,使用户随时了解现场的工作环境。
4.HGQC-H单台测试仪即可完成对CVT误差的测量。
5.具有测试速度快、处理信息量多和存储容量大的特点。
6.测试仪采用了变频技术、数字化处理,现场抗干扰能力强。
7.测试过程最大电压不超过3kV,并采取各种保护措施,确保人身安全及设备安全、可靠。
8. 测试过程操作简单。
三、原理介绍
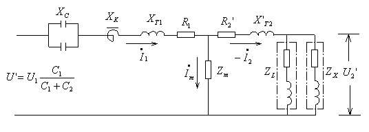
CVT的等效电路为:

图4-1 CVT等效电路
XC为等值电容(C1+C2)的电抗;XTI、XT2’分别为中压变压器的一二次绕组漏抗(折算到一次侧);R1为中压变压器一次绕组和补偿电抗器绕组直流电阻及电容分压器损耗等值电阻之和(
);R2’为中压变压器二次绕组的直流电阻(折算到一次侧);Zm为中压变压器的励磁阻抗;Xk为补偿电抗器的电抗。CVT的误差主要由激磁支路引起的空载误差和负荷支路引起(包括阻尼器负荷)的负载误差组成。
HGQC-H电容式电压互感器低校高现场测试仪根据CVT等效电路,采用异频测量、低压外推、仿真负荷等测量技术;该仪器吸收了计算机、高精度信号传感器、数字信号处理、高稳定变频电源等技术,在较低的电压下测量CVT误差,测量误差完全满足国家规程规定的精度要求。
四、技术参数
1.环境条件:
温 度:(5~40)°C
相对湿度:<80%(25°C)
海拨高度:<2500m
电源频率:50±0.5Hz
2.被测电压互感器类型:(http://www.whhuatian.com/610/index.html)电容式电压互感器
3.误差测量准确度:0.05%
4.分压比测量准确度:0.5%
5.内部标准电压互感器部分:
a、变比范围:
35kV/100V、 35kV/
/100V/![]()
66kV/100V、 66kV/
/100V/![]()
110kV/100V、 110kV/
/100V/![]()
220kV/100V、 220kV/
/100V/![]()
500kV/100V、 500kV/
/100V/![]()
b、准确度等级: 0.02%
6.外形尺寸:460×360×210mm³
7.重 量:25.0Kg
