可调高压数字兆欧表
0赞实验之前安全注意事项
1、可调高压数字兆欧表测试电压高,出力强,被测量对象往往又带有工频泄漏或感应上高压干扰电能,因此为了人身安全,使用本仪器首先一定要接好安全接地线!
2、本仪表在高压启动后,请不要采用人工放电方式检查仪表,在测试完毕后也应等待本仪表自动放电使电压表回零后才进行例行安全需要的人工放电!因为短路放电的强烈电脉冲波有损被测对象的绝缘寿命,如果脉冲窜入仪表,也有损仪表内的集成电路!!
一、概述
随着我国电力工业的快速发展,电器预防性实验是保障电力系统安全运行和维护工作中的一个重要环节,绝缘诊断是检测电气设备绝缘或故障的重要手段。
目前,电气设备(如变压器、发电机等)朝着大容量化、高电压化、结构多样化及密封化的趋势发展。这就需要绝缘电阻测试仪本具有容量大、抗干扰能力强、便于携带等特点。为此我公司针对高压变电站、发电厂等强干扰现场下对大型高压变压器、电机电器、远程电力电缆或埋设电缆等电气绝缘电阻特性的测试专门设计研发了本系仪表。
本系仪表结合了模拟电路、数字电路、机械操作各自的优势,在输出电压、输出电流、测量范围、测量精度、抗干扰能力上取得了国内领先的地位。
二、执行标准
序号 | 标准名称 |
1 | DL/T845.1-2004 电阻测量装置通用技术条件/电子式绝缘电阻表 |
2 | DL/T474.1-2006 现场绝缘试验实施导则/绝缘电阻、吸收比和极化指数试验 |
三、性能特点
1. 抗干扰能力强:抗电场感应干扰能力达到2mA(50Hz),已知适应50万伏变电站现场不拆线测量50万伏大型变压器的绝缘电阻参数。
2. 短路电流大:短路电流典型值10mA,适应大容量、大电感的测试。
3. 电阻测量范围宽广:测量范围从0.01MΩ~1999GΩ,读数准确、分辨力高。
4. 高压输出范围宽广:可选择0.1kV、0.25kV、0.5kV、1kV、2.5kV、5kV,也可从0V平滑调节到需要的电压。
5. 声光提醒:具有计时报时功能,提醒使用者记录分析被测量对象的吸收比和极化指数。
6. 高品质:关键部件全部采用进口元件,保证测量精度准确。
7. 使用方便:采用一体式机箱,体积小、重量轻、便于携带。
8. 外观精美:采用坚固且磨性强的材料,使仪器的整体质感和使用寿命更长。
四、技术指标
1. 测试电压等级:0.1kV、0.25kV、0.5kV、1kV、2.5kV、5kV
2. 测试电压精度:±(5%+10V)
3. 短路电流:典型值10mA
4. 量程与准确度
量 程 | 电阻测量有效范围 | 精 度 |
20MΩ | 0.01~19.99MΩ | ±(5%+3d) |
200MΩ | 5.0~199.9MΩ | ±(5%+3d) |
2GΩ | 0.05~1.999GΩ | ±(5%+3d) |
20GΩ | 0.5~19.99GΩ | ±(5%+3d) |
200GΩ | 5.0~199.9GΩ | ±(10%+3d) |
2000GΩ | 50~1999GΩ | ±(20%+10d) |
注意:
① MΩ量程定标电压为0.5kV,GΩ量程定标电压为2.5kV。
② 保证电阻测量准确度的测试电压范围:20%以上电压量程标称值。
③ 为准确测量高于20GΩ电阻,裸露在空气的高压电极导体应加屏蔽,避免空气电离带来影响。
④2000GΩ量程为参考量程,用于相对湿度小于70%的干燥环境使用。
5. 抗电场干扰能力:2mA(50/60Hz)。
6. 报时、报警功能:秒表显示最大值为19分59秒,20分钟一循环,声响报点为15秒、60秒、每分钟,到点报短促声响,电阻读数保持3秒,被测电阻低于量程下限,读数无效时以连续声报警。
7. 显示表:三位半LCD数字表头三个,分别显示测试电压、电阻、时间。
8. 供电:内附1.2V/2000mAh镍氢可充电电池10节,共DC12V 供电。带交流(50/60Hz)220V接入口对电池充电或浮充电工作。
9. 使用环境
温度:﹣20℃~﹢40℃
相对湿度:20%~90%
10. 体积:315×240×180mm(长×宽×高)
11. 质量:5.5kg
五、工作原理
本仪表采用相当于传统摇表的流比计法测量绝缘电阻,它以双积分数字电压表的除法功能进行欧姆——数字转换,该技术具有非常高的抗干扰能力,能把欧姆读数在测试电压受到大幅度低频干扰波动下不变。
测试电压0~5kV是由带反馈的它激式直流电压变换器电路产生。测试电压高,具有强大的自动调整能力,也使本仪表具有达到非一般同类仪表抗干扰的能力。
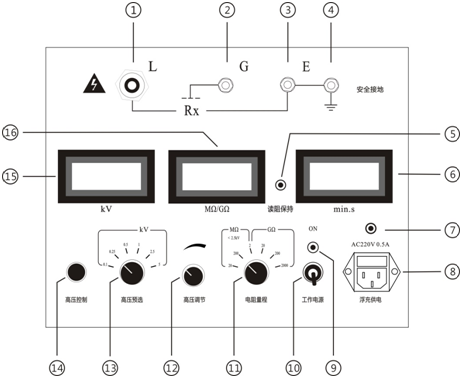
六、面板结构

1、“L”高压输出端 2、“G”保护端
3/4、“E”接地端 5、“读阻保持”指示
6、“min.s”表 7、“充电”指示
8、“浮充供电”插座 9、“ON”指示
10、“工作电源”开关 11、“电阻量程”开关
12、“高压调节”旋钮 13、“高压预选”开关
14、“高压控制”按钮 15、“kV”表
16、“MΩ/GΩ”表
说明:
1、“L”高压输出端:又可称为线路端,它采用高压电缆接到被测线路,例如接至变压器或电机的绕组、电缆的线芯。
2、“G”保护端:三电极法测量绝缘材料、电缆的体积电阻时,“G”接到三电极的保护环电极上,保护环是用于消除被测对象的表面电阻和测量回路的泄漏干扰。
3/4、“E”接地端:本仪表安全接大地和连接被测物零端的接线端,自来水管可作为大地端,电机的金属外壳、变压器铁芯、电缆屏蔽层等属于被测物零端,人工放电的地端也接在此端。
5、“读阻保持”指示:读阻保持时指示灯发出红光,提醒测试员记录测试值。
6、“min.s”表:显示测试时间分秒,高压控制按钮按入即开始计时,最大值19分59秒,然后循环工作。
7、“充电”指示:充电时指示灯为红光,随着电池电压的升高指示灯逐渐由红光向绿光渐变,充满时指示灯为绿光。
8、“浮充供电”插座:用于以交流电220V供电,向仪表电池充电的插座。
9、“ON”指示:工作电源接通后指示灯发红光,在仪器工作时电池电量下降指示灯会逐渐变暗,当电池欠压指示灯会熄灭。
10、“工作电源”开关:仪表的供电电源开关。
11、“电阻量程”开关:开关指向数为电阻量程,即上限值。
12、“高压调节”旋钮:可使测试电压从0V平滑调节至预选值。
13、“高压预选”开关:用于预先选择测试电压值。
14、“高压控制”按钮:控制测电压输出,按下时高压从“L”端输出。
15、“kV”表:显示L-E之间的测试电源电压值。
16、“MΩ/GΩ”表:显示绝缘电阻值,其单位由“电阻量程”开关决定。
