GM-10kv可调高压数字兆欧表
1赞GM-10kv可调高压数字兆欧表工作原理
可调高压数字兆欧表采用相当于传统摇表的流比计法测量绝缘电阻,它以双积分数字电压表的除法功能进行欧姆——数字转换,该技术具有非常高的抗干扰能力,能把欧姆读数在测试电压受到大幅度低频干扰波动下不变。
测试电压0~10kV是由带反馈的它激式直流电压变换器电路产生。测试电压高,具有强大的自动调整能力,也使本仪表具有达到非一般同类仪表抗干扰的能力。
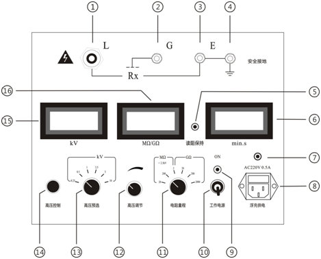
面板结构

1、“L”高压输出端 2、“G”保护端
3/4、“E”接地端 5、“读阻保持”指示
6、“min.s”表 7、“充电”指示
8、“浮充供电”插座 9、“ON”指示
10、“工作电源”开关 11、“电阻量程”开关
12、“高压调节”旋钮 13、“高压预选”开关
14、“高压控制”按钮 15、“kV”表
16、“MΩ/GΩ”表
说明:
1、“L”高压输出端:又可称为线路端,它采用高压电缆接到被测线路,例如接至变压器或电机的绕组、电缆的线芯。
2、“G”保护端:三电极法测量绝缘材料、电缆的体积电阻时,“G”接到三电极的保护环电极上,保护环是用于消除被测对象的表面电阻和测量回路的泄漏干扰。
3/4、“E”接地端:本仪表安全接大地和连接被测物零端的接线端,自来水管可作为大地端,电机的金属外壳、变压器铁芯、电缆屏蔽层等属于被测物零端,人工放电的地端也接在此端。
5、“读阻保持”指示:读阻保持时指示灯发出红光,提醒测试员记录测试值。
6、“min.s”表:显示测试时间分秒,高压控制按钮按入即开始计时,最大值19分59秒,然后循环工作。
7、“充电”指示:充电时指示灯为红光,随着电池电压的升高指示灯逐渐由红光向绿光渐变,充满时指示灯为绿光。
8、“浮充供电”插座:用于以交流电220V供电,向仪表电池充电的插座。
9、“ON”指示:工作电源接通后指示灯发红光,在仪器工作时电池电量下降指示灯会逐渐变暗,当电池欠压指示灯会熄灭。
10、“工作电源”开关:仪表的供电电源开关。
11、“电阻量程”开关:开关指向数为电阻量程,即上限值。
12、“高压调节”旋钮:可使测试电压从0V平滑调节至预选值。
13、“高压预选”开关:用于预先选择测试电压值。
14、“高压控制”按钮:控制测电压输出,按下时高压从“L”端输出。
15、“kV”表:显示L-E之间的测试电源电压值。
16、“MΩ/GΩ”表:显示绝缘电阻值,其单位由“电阻量程”开关决定。
相关资料下载:http://www.whhuatian.com/764/index.html
相关产品图集:http://www.whhuatian.com/764/index.html#content
相关产品视频:http://www.whhuatian.com/764/index.html#video
产品说明书 :http://www.whhuatian.com/764/file/764.pdf
