关于ZYNQ中Block Design的复位管理单元的使用注意事项
1赞
发表于 6/4/2017 5:36:48 PM
阅读(8485)
在ZYNQ的Block Design设计中,复位管理单元(Processor System Reset)是一个基本的,同时也是很重要组成模块。在使用过程中,有一个细节需要注意,否则会导致Block Design的设计通不过编译。
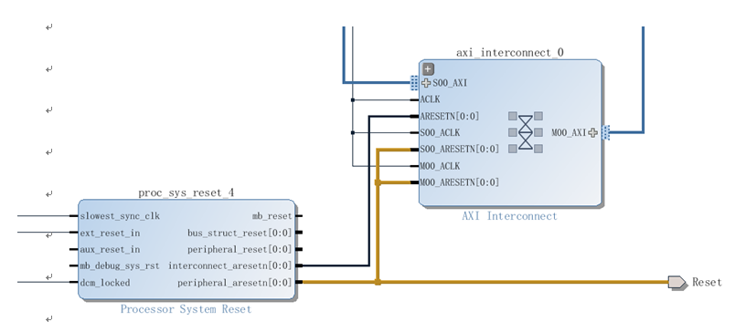
此处需要注意的细节是,一个复位管理单元(Processor System Reset)产生的复位信号只能给一个从设备使用,如下图所示:

若同时给两个或两个以上的从设备使用,将会产生错误。例如,下图的使用方式是不对的:

这种错误的使用,将会产生如下的提示:
AXI Interface Port * is not associated with any clock port. It may not work correctly. Please update the ASSOCIATED_BUSIF parameter of a clock port to include this interface port.
PS:基于FPGA的视频编解码QQ群:623495899 ,有兴趣的可以进来交流学习哈。
