直流电压升压降压变换原理
0赞DC-DC电路原理:
DC-DC是英语直流变直流的缩写,所以DC-DC电路是某直流电源转变为不同电压值的电路。DC-DC是开关电源技术的一个分支,开关电源技术包括AC-DC、DC-DC两ff个分支。DC-DC电路按功能分为:
升压变换器:将低电压变换为高电压的电路。
降压变换器:将高电压变换为低电压的电路。
反向器:将电压极性改变的电路,有正电源变负电源,负电源变正电源两类。
三个主要分支,当然应用时在同一电路中会有升压反向、降压升压等功能同时存在。
DC-DC变换器的基本电路有升压变换器、降压变换器、升降压变换器三种。
降压变换器原理图如图1所示,当开关闭合时,加在电感两端的电压为(Vi-Vo),此时电感由电压(Vi-Vo)励磁,电感增加的磁通为:(Vi-Vo)*Ton。
当开关断开时,由于输出电流的连续,二极管VD变为导通,电感削磁,电感减少的磁通为:(Vo)*Toff。
当开关闭合与开关断开的状态达到平衡时,(Vi-Vo)*Ton=(Vo)*Toff,由于占空比D<1,所以Vi>Vo,实现降压功能。
图1 降压变换器原理图
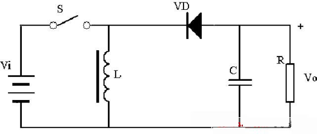
升压变换器原理图如图2所示,当开关闭合时,输入电压加在电感上,此时电感由电压(Vi)励磁,电感增加的磁通为:(Vi)*Ton。
当开关断开时,由于输出电流的连续,二极管VD变为导通,电感削磁,电感减少的磁通为:(Vo- Vi)*Toff。
当开关闭合与开关断开的状态达到平衡时,(Vi)*Ton=(Vo- Vi)*Toff,由于占空比D<1,所以Vi 。
图2 升压变换器原理图
升降压变换器、入出极性相反原理如图3, 当开关闭合时,此时电感由电压(Vi)励磁,电感增加的磁通为:(Vi)*Ton;当开关断开时,电感削磁,电感减少的磁通为:(Vo)*Toff。当开 关闭合与开关断开的状态达到平衡时,增加的磁通等于减少的磁通,(Vi)*Ton=(Vo)*Toff,根据Ton比Toff值不同,可能Vi< Vo,也可能Vi>Vo。
