异步复位,同步释放
0赞观《深入浅出玩转FPGA》之异步复位,同步释放
一 异步复位与同步复位
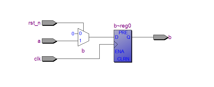
异步复位--代码--RTL及仿真波形
always@(posedge clk or negedge rst_n)begin
if(!rst_n)
b<= 1'b0;
else
b<= a;


异步复位--代码--RTL
always@(posedge clk )begin
if(!rst_n)
b<= 1'b0;
else
b<= a;

二 异步复位,同步释放
异步复位会影响寄存器的recovery时间,引起设计的稳定性问题,尤其对于状态机的无意识复位,将导致进入不确定的状态,同步复位也存在类似的问题,而且对于不带同步复位专用端口的器件将会增加额外的逻辑资源
异步复位的同步化,应用边沿检测的部分思维,用最高时钟打慢几排,便实现了与最高时钟的同步。

//-------------------------------------------------
`timescale 1ns/1ns
module synchronism_design(
clk,
rst_n,
rst_nr2//异步复位,同步释放
);
inputclk;
inputrst_n;
output rst_nr2;
//两级层叠复位电路,低电平复位
reg rst_nr1,rst_nr2;
always @(posedge clk or negedge rst_n)
begin
if(!rst_n)
begin
rst_nr1 <=1'b0;
end
else
begin
rst_nr1 <=1'b1;
end
end
always @(posedge clk or negedge rst_n)
begin
if(!rst_n)
begin
rst_nr2 <= 1'b0;
end
else
begin
rst_nr2 <=rst_nr1;
end
end
endmodule
//---------------------------------------------------------------------------------------------------------
仿真波形如下:

// rst_n没到来时,rst_n2保持为1的状态;当rst_n有效时,rst_nr2输出两个时钟周期的低电平
