Zedboard 学习笔记之《VGA的驱动显示以及逻辑分析仪的使用》
1赞
发表于 12/22/2016 2:34:21 PM
阅读(6384)
Zedboard的接口框图如下:
挂在PL侧的模块有HDMI、VGA、OLED等,下面将详细介绍在Zedboard上驱动VGA的过程,开发环境为Vivado 2016.2。Zedboard是通过权电阻网络来搭建的DAC电路,
关于VGA的驱动原理,请看下面的时序图:
程序中就是通过计数器来模拟产生行、场同步信号。这里主要介绍下Vivado的开发流程。Vivado下新建工程,选择开发板Zedboard,如图:
将修改好的工程代码都加进来,这里通过clock Wizard重新生成所需要的时钟,方法和quartus大同小异,移植好的工程如图:
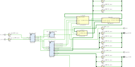
然后执行Run Synthesis、Run Implementation和Generate Bitstream就可以生成.Bit文件下载到FPGA里了。这里我又想用下在线逻辑分析仪的功能,那么首先需要在代码里对需要查看波形的信号前加(* mark_debug="ture" *),就算该信号在工程中没有连接,也不会别编译器优化掉。如图:
我们将要在逻辑分析仪中观察VGA的红、绿、蓝信号。选择Set Up Debug,将感兴趣的信号加进来。
注意时钟域别弄错了,设置好后,我们发现RTL视图里多了调试模块
然后在Hardware Manager中执行 Open Target,连接上目标开发板后,Program device,下载完后,逻辑分析仪窗口就会自动出来。
最后的显示效果如下:











