功不唐捐
0赞
发表于 3/20/2015 10:09:58 AM
阅读(3680)
不知不觉写了很多年的博客,秉承知识库的原则,既把笔记、自己做的PPT还有书籍原稿都整合到知识库以后,接下来对自己的博客,如下:
以前在设计充电机的时候,做的文件,其实对现在去理解功率电子,去理解不同的DC-DC、充电机、HVAC驱动器的内部DC-DC变化的拓扑架构都是很有帮助的,只要你让他可查,简化,突出自己的心得
无变压器
-
Buck电路
-
Boost电路
-
Buck-Boost电路
-
Cuk电路
有变压器
-
Push-Pull
-
Forward
-
Flyback
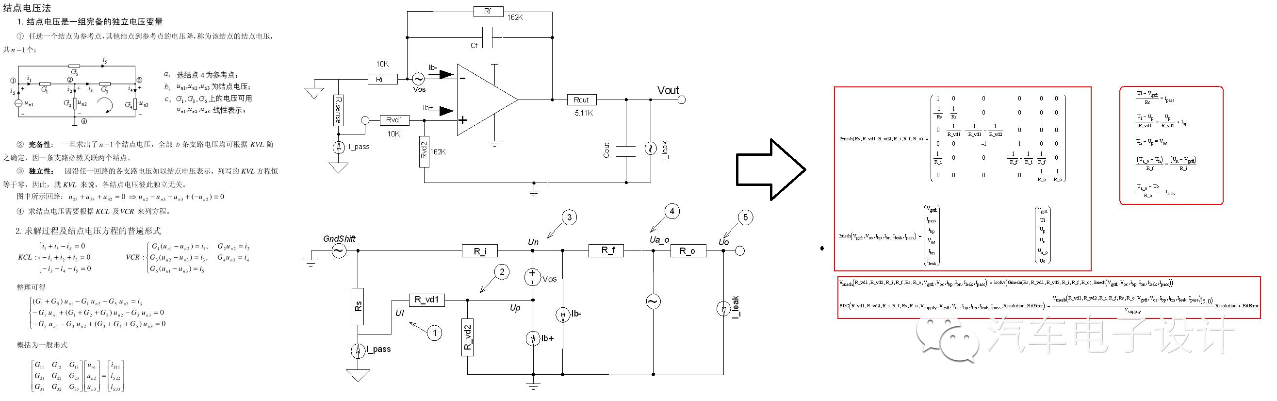
其实从零部件来说,比如节点电流法、网孔电流法是使用,到了车厂就是要去评审。
节点电压法
网孔电流法
写这篇文章想表达的基本逻辑是:
1) 干啥事情,可以抛弃单纯的公司或者老板的考核要求,用自己追求卓越的长期的眼光来看
2)需要一个载体来承载你的过往经历,沉淀下来的那些遇事心态和解决问题的思路是阴性的,而实际的小系统解决办法,是显性的
3)大棒子和绣花针,战略和战术,在项目各个阶段其实都有用,只是时机不好说
