A.01.07—模块的输出—低端输出
0赞
发表于 6/17/2015 2:41:19 PM
阅读(3308)
(2015-1-1 发表于本人QQ空间)低端输出应用非常广泛。
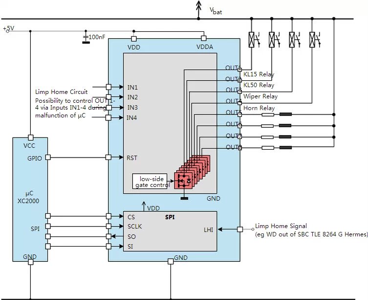
其负载接电源而控制端控制接地,形成一个低边的开关。对于其原理也容易理解:如一个继电器的线圈端是接常电的,线圈的控制端往往是一个开关,当人手按下此开关时,开关接地,线圈通电了、通电后继电器驱动端闭合,给负载通电、负载工作;而模块控制驱动芯片的工作就相当于模块中MCU代替了人手按开关的动作,它在适当的时候开启和关闭驱动芯片中开关,如此来控制继电器闭合和断开。在这个例子中,原来的控制开关也得接到模块的输入上以便检测到用户的按下动作、再驱动继电器动作实现原来的功能。
如下图中的第二个继电器上接了一个开关,它为一种典型的喇叭控制电路。开关即喇叭开关,即喇叭继电器既可以通过喇叭开关直接控制、也可通过低边驱动口out2来控制。在这种接法中模块并不采样开关的输入,但模块也能控制继电器的动作;上段中所提为另一种接法。两种方法都能实现基本功能,只是对一些失效检测和保护相关的功能有所不同,如在下图中模块无法探开关是否stuck状态,也无法保护驱动对象,对于喇叭来说长时间工作如5min~8min便可能会使喇叭永久失效,更长时间则肯定会造成永久失效,在系统设计中如果因为一个器件(此例中为开关)的故障而引起了另一器件(此例中为驱动对象即喇叭)的失效,这是应该尽量避免的;且对售后索赔来说也是比较烦的。
其负载接电源而控制端控制接地,形成一个低边的开关。对于其原理也容易理解:如一个继电器的线圈端是接常电的,线圈的控制端往往是一个开关,当人手按下此开关时,开关接地,线圈通电了、通电后继电器驱动端闭合,给负载通电、负载工作;而模块控制驱动芯片的工作就相当于模块中MCU代替了人手按开关的动作,它在适当的时候开启和关闭驱动芯片中开关,如此来控制继电器闭合和断开。在这个例子中,原来的控制开关也得接到模块的输入上以便检测到用户的按下动作、再驱动继电器动作实现原来的功能。
如下图中的第二个继电器上接了一个开关,它为一种典型的喇叭控制电路。开关即喇叭开关,即喇叭继电器既可以通过喇叭开关直接控制、也可通过低边驱动口out2来控制。在这种接法中模块并不采样开关的输入,但模块也能控制继电器的动作;上段中所提为另一种接法。两种方法都能实现基本功能,只是对一些失效检测和保护相关的功能有所不同,如在下图中模块无法探开关是否stuck状态,也无法保护驱动对象,对于喇叭来说长时间工作如5min~8min便可能会使喇叭永久失效,更长时间则肯定会造成永久失效,在系统设计中如果因为一个器件(此例中为开关)的故障而引起了另一器件(此例中为驱动对象即喇叭)的失效,这是应该尽量避免的;且对售后索赔来说也是比较烦的。
下图为TLE7240的一个示意(图片来自网络),它是英飞凌一款纯低边驱动芯片,正常下通过SPI控制8个输出;LHI为limphome使能、IN1~IN4为limphome时的输入控制端。
