使用555定时器测量电容,电阻,电感
0赞555定时器内部电路如下:


555定时器内部电路由两个比较强,一个RS触发器,一个反相器及一个放电管组成。
比较器C1的同相输入端固定电压为2/3*Vcc,反向输入端电压为1/3*Vcc。比较器输出分别接RS触发器的R与S输入端。因此,555定时器的输入输出状态如下:
当阀值输入THRES>2/3*Vcc,触发输入TRIG>1/3*Vcc,比较器C1输出0,比较器C2输出1。即RS触发器输入端R=0,S=1。RS触发器输出0。而放电管的基极(源极端)输出1,放电管导通。定时器OUT输出0。
当阀值输入THRES<2/3*Vcc,触发输入TRIG<1/3*Vcc,比较器C1输出1,比较器C2输出0。即RS触发器输入端R=1,S=0。RS触发器输出0。而放电管的基极(源极端)输出0,放电管截至。定时器OUT输出1。
当阀值输入THRES<2/3*Vcc,触发输入TRIG>1/3*Vcc,比较器C1输出1,比较器C2输出1。即RS触发器输入端R=1,S=1。其RS触发器输出及定时器输出保持不变。
当阀值输入THRES>2/3*Vcc,触发输入TRIG<1/3*Vcc,比较器C1输出0,比较器C2输出0。即RS触发器输入端R=0,S=0。其RS触发器输出1,定时器输出0。但该状态为不稳定状态。RS触发器的输出会因RS变化的先后而不同。应避免该状态发生。
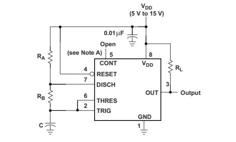
基于以上状态,可由555定时器与为外部RC元件构成多谐振荡器。如下图所示:

假设初始时刻t=0时电容C两端电压为0。此时电源上电,Output输出变化如下:①因电容特性两端电压不能突变,故电源VDD通过RA与RB对电容C充电。②当THRES和TRIG电压<1/3*Vcc,定时器Output输出1。②当充电电压超过1/3*Vcc,但仍少于2.3*Vcc,Output保持输出状态。③当充电电压超过2/3*Vcc,Output输出0,内部放电管导通,引脚7DISCH接地,电容通过DISCH放电。④当放电电压低于1/3*Vcc,Output输出0,内部放电管截至,然后重复步骤②和之后的过程。
电路振荡产生的频率由R1、R2、C1确定。其公式如下:
电容C1的充电所需的时间,即脉冲维持时间:
(1-1)
放电所用时间,即脉冲低电平时间:
(1-2)
所以脉冲周期时间为:

(1-3)
输出脉冲频率为:

(1-4)
所以只要已知R1、R2、C1中的其中两项的参数再通过单片机测出振荡频率的大小就可以计算出剩下第三项的参数。本设计中通过固定R1和C1的参数将待测量的电阻作为R2接入电路中的方法来测量电阻,通过固定R1和R2的参数将待测量的电容作为C1接入电路中的方法来测量电容。
使用555定时器测定电感的原理图如下:

使用待测电感,电阻与555定时器构成多谐振荡器。通电后,电感L1中的电流不能突变,随着L1中电流的变化,电阻R5的压降也随之变化。①当回路电流按指数规律上升,R5的压降增大,THR和TRIG上的输入电压减小,当小于1/3*Vcc,电路翻转。3脚输出高电平,7脚与地断开。②通电回路断开,电感通过R5和二极管D1按指数规律放电,R5上压降随电流变化而减小,THR和TRIG上的输入电压增大,当大于1/3*Vcc,电路再次翻转。3脚出现低电平,7脚又与地接通,L1再次充电,重复上述过程。从而实现自振荡。
电感充电过程,电流变化的规律为:

(2-1)

(2-2)
电路输出波形高低电平时间分别为:

(2-3)

(2-4)

(2-5)
由(2-3)(2-4)(2-5)可得充放电周期:

(2-6)
所以输出频率为:

(2-7)

(2-8)
