FPGA学习笔记三:时序逻辑电路的设计与仿真验证
0赞一、以Quartus II软件和Modelsim软件作为代码设计与波形仿真平台,对一个简单的时序逻辑电路进行设计与验证。下面是该电路实现的HDL代码,完成一个LED灯秒闪。
module counter(clk,rst_n,led_out);
input clk;
input rst_n;
output reg led_out;
reg [24:0]cnt;
always@(posedge clk or negedge rst_n)
begin
if(!rst_n)
cnt <= 25'd0;
else if(cnt == 25'd24_999_999)
cnt <= 25'd0;
else
cnt <= cnt + 1'b1;
end
always@(posedge clk or negedge rst_n)
begin
if(!rst_n)
led_out <= 1'b0;
else if(cnt == 25'd24_999_999)
led_out <= ~led_out;
else
led_out <= led_out;
end
endmodule
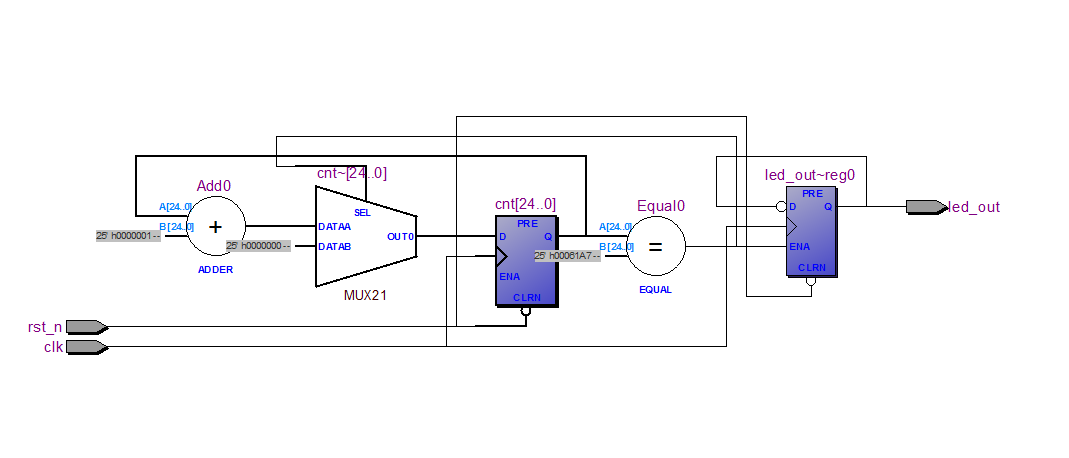
二、 译码器的RTL结构视图

三、计数器的Testbench
`timescale 1ns/1ns
`define clk_period 20
module counter_tb;
//定义激励信号端口
reg clk;
reg rst_n;
//定义待测试信号端口
wire led_out;
//例化待测试模块
counter u0(
.clk(clk),
.rst_n(rst_n),
.led_out(led_out)
);
//产生激励信号
initial clk = 1;
always #(`clk_period/2) clk = ~clk;
initial
begin
rst_n = 1'b0;
#(`clk_period*200);
rst_n = 1'b1;
#20000000;
$stop;
end
endmodule
四、 仿真验证
功能仿真(布线前仿真)波形如下

功能仿真起始时间处复位信号的延时释放,延时了4000ns,如下

功能仿真时间测量,每500ms(0.5s) led_out输出翻转一次,如下

时序仿真(门级仿真)波形个如下,从图中可以看出,经过布局布线以后,信号发生了延迟,不再是准确的每500ms led_out输出翻转一次了。

