基于ZigBee和ARM的智能家居控制系统
0赞随着网络技术和当代通讯技术发展的不断完善,家居智能化已经愈来愈受到人们的关注。智能家居控制系统是以家庭住宅为平台,控制各种家居电器设备,完美地将系统、结构、服务、管理集合为一体的控制系统。
系统通过对住宅内部环境的长期监测智能的获取用户的居住习惯,并结合人为设定的控制指令自动调节设备状态实现住宅的智能化、人性化,为人们营造一个节能、安全、舒适的居住环境。
利用ARM 和ZigBee无线模块技术,设计了一款新型智能家居终端控制系统,实现了对家庭内的家居电器远程控制。系统最终调试的结果能够满足用户对家居电器设备的远程监测和控制的需求。该设计合理,能够达到预期的目标。
1 整体方案的设计
结合设计理念和整个系统所要实现的功能,对整个系统进行设计如图1 所示。
图1 整体系统设计结构图
在智能家居控制系统中,根据各个系统的模块,对整个方案进行设计,总体来说整个方案可以分成以下几个单元。
1) ZigBee无线数据采集单元
ZigBee无线数据采集单元利用最新的无线ZigBee通讯技术,使用无线子节点模拟家庭内的家居电器,并由多个ZigBee无线数传节点组成的家庭内部的无线局域网。用户(智能网关)发来控制信息,经过中央控制器处理,由协调器节点根据信息中的地址传输给相应的无线子节点,完成对家庭内电器的控制和监测。
2) ZigBee无线模块数传单元
ZigBee无线模块数传单元是整个系统的核心部分,它一方面通过串口和WIFI 与家庭无线局域网中的协调器相连接,通过协调器接收发送控制信息;同时通过网口与路由器相连,接入以太网中,用户可以远程发送命令经以太网控制家庭内部的家居电器设备。
3) 数据处理单元
数据处理单元主要指用户通过各种智能终端,如智能网关、智能手机,掌上电脑等,发送控制命令控制家庭内部的环境状况。
对整体系统方案的设计,是在综合各种因素的基础上设计完成的。不仅实现系统要完成的功能,而且在扩展性提高以及降低成本方面都有所发展。在本设计中,家居控制终端釆用嵌入式处理器,在家庭无线局域网中釆用ZigBee技术作为无线组网技术。嵌入式设备不仅拥有功耗低、体积小、成本低等优势,同时也具有良好的稳定性和实用性,可以快速的接入以太网,彻底摆脱了以往对计算机的依赖性。同样ZigBee无线数传技术也具有成本低,组网自组织能力强,更为各个节点设备制定了统一的标准。整个系统满足了用户的需求和功能要求。
2 系统硬件的设计
2 .1 智能网关电路设计
选用TI 公司新一代移动应用处理器——— OMAP3530 ,该处理器在单个的芯片上集成了600‐MHz ARMCortex‐A8 Core 、412‐MHz TMS320C64x + DSP Core 、图形引擎、视频加速器以及富足的多媒体外设。Cortex‐A8 内核是采用ARMv7 指令体系架构,是ARM 公司历史上性能最强大的一款处理器,适合用于复杂的操作系统和用户应用,运转速率可达600 MHz 至1 GHz ,功耗一般在300 mW 以下,而性能可高达2000MIPS 。
智能网关使用的是核心板加底板的模式。在系统中,使用了7 寸TFT 24 位液晶触摸屏,由于接口资源丰富,又增添了通用的存储器、通讯接口。使嵌入式最小系统具备了体积小、高性能、低功耗等特点。硬件结构如图2 所示。
图2 智能网关硬件结构框图
在本设计中,UART 和ZigBee数传模块协调器相连接,外部Inter
net 网通过DM9000 网卡接入。OPAM3530 处理器根据接收到的各种输入信息来进行处理和分析工作,并把处理后的结果通过通信接口分别传输给用户或者ZigBee无线模块节点设备。
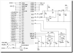
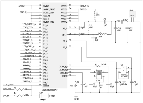
2 .2 ZigBee 模块电路设计
ZigBee无线模块主要的功能是负责家庭内部无线局域网的搭建,并完成用户发送的控制命令和ZigBee无线模块采集的信息的传输。当前,市场上选用较多的无线模块是TI 公司生产的CC2530 芯片,它不仅集成了一个增强型8051 处理器,而且还集成了符合IEEE802.15 .4/ZigBee联盟标准的射频收发芯片于一体,并且支持IEEE 802 .15 .4 、ZigBee2007/Pro/RF4CD 等多种协议标准。同时CC2530 可以在多种模式下进行工作,符合系统的低功耗工作要求。CC2530 应用电路电路图如图3 所示。
图3 CC2530 应用电路
3 系统软件的设计
嵌入式操作系统选用Windows Embedded CE 6.0 系统。因为该系统具备开发周期短,相对简单,工具强大,GUI 丰富,内核完善等优点。所以被广泛用以手持设备的开发。
3 .1 嵌入式平台的搭建在Windows Embedded CE 6 .0 开发中,微软公司经过战略性的调整,把Platform Builder 制作成了Visual Studio 2005 的一个插件。如同Visual C # 和Visual C + + 一样,被全部集成到Visual Studio 2005 一样。
针对嵌入式系统交叉编译环境的特点,Windows Embedded CE 6.0
开发环境在PC 机上的搭建步骤做如下简单的介绍:
② 安装Visual Studio 2005 安装包
② 安装Visual Studio 2005 Team Suite ServicePack 1 安装包
③ 安装Visual Studio 2005 SP1 Update for Vista 安装包(如果需要的话)
④ 安装Windows Embedded CE 6.0 安装包
⑤ 安装Windows Embedded CE 6.0 Service Pack 1 安装包
⑥ 安装Windows Embedded CE 6.0 R2 安装包
⑦ 安装Windows Embedded CE 6.0 R3 安装包
⑧ 安装Update 升级包在安装相关软件之前,必需确保PC 机上系统所在磁盘有足够的使用空间,建议系统磁盘至少有8 GB的使用空间,并在安装完所有软件之后,至少有4 GB 的剩余使用空间。
至此,实现了Platform Builder 6.0 安装,在Visual Studio 2005 中新建项目时,便会出现PlatformBuilder 6.0 项目类型。
然后,利用Visual Studio 2005 中的Platform Builder 6.0 项目类型定制内核,并对其进行编译,导出并安装SDK 。至此,WinCE 的开发环境建立完成。
3 .2 ZigBee 节点软件开发
3 .2 .1 ZigBee数传模块协调器节点软件设计协调器是整个家庭内部无线局域网的核心。在组网成功后,协调器充当一个路由器的作用。它的功能主要是负责无线网络的建立、网络参数的设定、网络信息的管理及维护等功能。协调器的程序设计流程如图4所示。
图4 ZigBee 协调器程序流程图
系统首先上电,在完成协调器硬件和协议栈的初始化以后,协调器就开始进行信道能量检测和信道扫描,从中选择出空闲信道中能量最强的作为所建无线网络的信道,从而建立无线网络并生成无线网络编号PAN ID 和配置无线网络参数。建立ZigBee无线网络成功后,协调器会进入侦听状态,若有ZigBee数传模块子节点申请入网,则允许子节点加入,并且为它分配无线网络地址、建立绑定文件。
3 .2 .2 终端节点的软件设计
无线终端节点的主要功能是完成接收用户发送的控制和查询数据,和上传无线终端节点传感器采集的信息。上电初始化模块后,首先是信道扫描,查询是否有可加入的ZigBee无线数传网络信道,即向协调器发送申请入网请求,然后检查是否加入网络成功。如果加入网络未成功,ZigBee无线数传子节点则继续发送申请加入网络请求。如果加入网络成功,协调器就会分配无线网络地址。在加入网络成功后,ZigBee无线数传子节点就会侦听网络信息,查询是否接收到数据,如果接受到网络数据,则会进一步判断数据类型,当接收到的是用户的查询信息时,则获取与之相应的传感器节点信息,并经ZigBee无线局域网把数据传输给协调器;当接收到的是用户的控制指令时,则与之相应的ZigBee 无线子节点执行控制操作。ZigBee 无线终端节点的程序设计流程图如图5 所示。
图5 ZigBee 无线终端节点程序流程图
4 系统的性能测试
在测试过程中,整套系统有6 个无线节点、1 个协调器、1 个CORTEX A8DB 智能网关。每1 个无线节点都有1 个CC2530 模块,和1 个电源板,电源板上有1 个蜂鸣器、6 个LED 灯、和功能不同的传感器。在这个系统中,有温湿度传感器、光传感器、烟雾传感器、继电器、电机驱动等模块,作为家居中的模拟电器设备。
在系统性能测试时,智能网关通过以太网与路由器连接,协调器通过串转网模块与路由器相连。在此特别说明,串转网模块的IP 地址和智能网关的IP 地址必须在同一个局域网内。然后打开智能网关和协调器开关,当协调器的指示灯处于闪烁状态时,说明协调器组网成功,然后打开子节点开关,接入协调器的组网中,子节点的指示灯处于闪烁状态时,说明入网成功。到此,硬件连接成功。在智能网关中打开应用程序,然后点击打开连接按钮,输入串转网模块的IP 地址,然后点击确定。然后就可用智能网关中的应用程序对ZigBee无线模块节点进行实时监测和控制。图6 为温度采集模块在智能网关中的应用程序界面的实时监测显示。
图6 温度采集节点实时监测数据显示
5 结语
本设计的智能家居系统,是采用ARM 和ZigBee无线模块技术,在分别以OMAP3530 为控制核心和CC2530 为无线控制核心的基础上,完成了智能网关和ZigBee数传模块节点的设计,实现了ZigBee无线数据采集和实时监测和控制家居电器的设计。该系统具有传输快捷安全、组网简易灵活等优点,达到了对家庭设备的智能化管理,所以该系统在未来市场中具有良好的竞争力。






