TMS320F28335最小系统设计
0赞
发表于 3/23/2013 5:04:34 PM
阅读(4377)
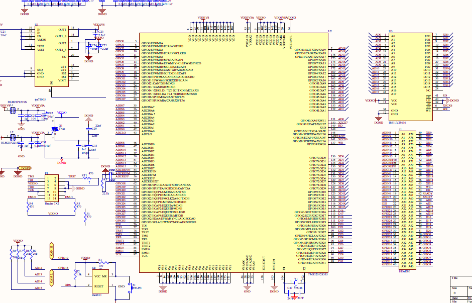
和大家分享一下我设计的关于TMS320f28335的电路。双核的包含了一片DSP和一片STM32的芯片,两个之间用CAN总线通信。原来事打算用双端口RAM的,应为布线复杂和成本问题改为了CAN总线。
下面是布的四层板pcb,给大家看看,希望在以后的工作中和大家多多交流这方面的问题。
