基于cs8900a的lwip协议栈的硬件实现
0赞
发表于 7/30/2013 2:11:07 PM
阅读(2836)
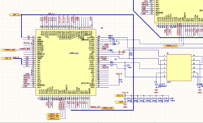
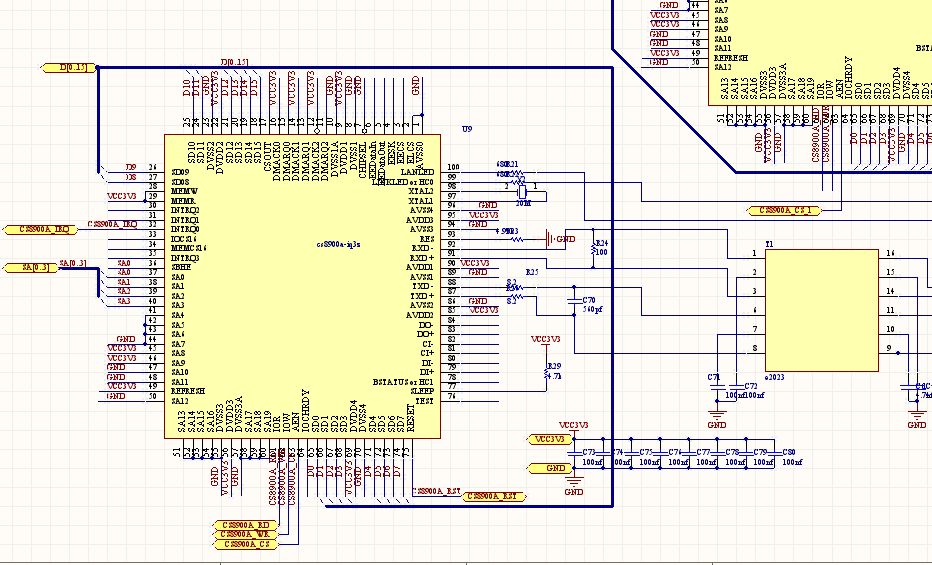
本设计以ST32f103为基础,通过外部扩展cs8900a实现以太网功物理能,运行微内核lwip协议栈。实现一般的以太网功能。以太网接口芯片cs8900a和stm32f103的连接比较复杂,如果按照芯片资料设计比较模糊,我是看了n次芯片资料并在网上参考了一些资料才完成的,但是cs8900a的资料网上比较少,大多还是8位数据接口的。下面是16位总线的原理图
考虑到干扰问题,设计的pcb板采用的四层。信号线,地。电源,信号的层次。
lwip协议栈的实现是基于ucos实时嵌入式系统。是参考网上dm9000的,只是把底层驱动改了下。运行起来好像还是有许多问题。这将在后面的章节你和大家分享,也希望有过对lwip经验的开发者指点下。
