基于TMS320F28335的电力数据采集设计
0赞
发表于 3/30/2013 8:30:55 AM
阅读(4362)
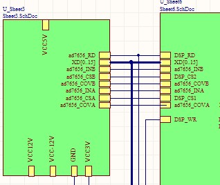
在电力继电保护系统中经常会对线路电压电流进行采集监测保护,在采集保护的同时还要对采集的数据进行分析,比如要计算电流的相位角,功率因素,无功和有功功率,单向接地保护等,这些都要用到大量的运算。而且往往采集的电流电压路数达二三十路,要对这些都进行数据都进行数据分析要求CPU的速率和运算精度有一定的要求。因此对本主控制芯片选择32位的带硬浮点的高速DSPTMS320F28335。在现今的继电保护设计中最开始用MAX125芯片,后来因为精度的问题选择了AD976,只不过他只有一路AD采集,需要加入模拟开关。速率也不是很高。到现在一般用AD7656,他有6路AD,可以同时采集。AD7656和TMS320f28335通过总线的方式连接,其访问片选地址和TMS320f28335的XINTF口引脚连接,因此访问地址是0x20000,读信号和TMS320f28335的读信号连接,BUSY引脚和TMS320f28335的外部中断连接。
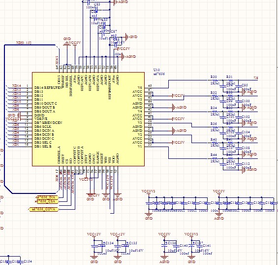
AD7656的外围电路布置如下:
AD7656的三个CONVST引脚连接在一起和TMS320f28335的GPIO1连接,通过它启动AD7656
的六路模拟采集同时采集转换。BUSY作为中断信号,告诉TMS320f28335转换完成,去读取转换结果。
