stm320f103驱动四路步进电机
0赞
发表于 4/21/2013 7:37:59 PM
阅读(9610)
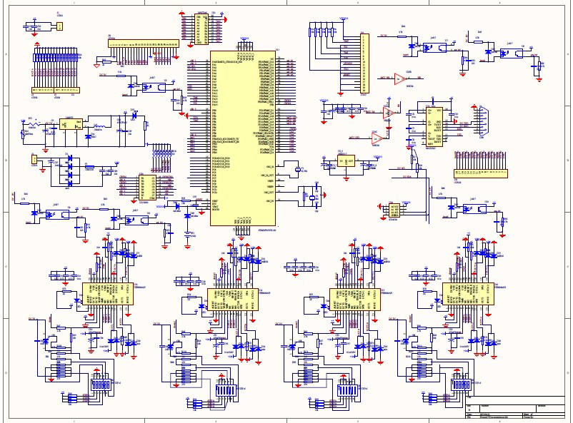
一路步进电机的驱动用单片机比较简单,但是多路步进电机独立驱动(可以分别调每路的控制频率),每路都可以控制就要求定时器比较多,不仅定时器要多,而且速度也要更得上。单片机就显得有些困难。采用stm32f103作为步进电机控制主芯片,需要用到的是stm32f103的多路定时器,而不是PWM控制,PWM只能控制脉冲的占空比,不能控制脉冲的频率。下面是stm32f103+thb6064ah控制步进电机的原理图,原创的喔
上面是控制四路步进电机的,带有按键和液晶显示,液晶采用的是tc1602a,按键有8个,可以设置每路步进电机的转速,并且有加速,减速功能。
